Elektronické řízení brány

Toto fórum je věnováno sekci ELEKTRONIKA na webu Sakul World.

Moderátor: Spolupracovníci

  • Advertisement

Použili jste toto řízení pro Vaši bránu ?

ANO
1
17%
NE
0
Žádná hlasování
Chystám se na to
5
83%
 
Celkem hlasů : 6

Re: Elektronické řízení brány

Příspěvekod Sakul » sob 18. čer 2011 14:07:29

Takže dnes jsem udělal test programu 1.2b (zpožděné zavření) s tímto výsledkem:
Testoval jsem simulaci na hardware v režimu automat. Test jsem provedl několikrát a ani jednou nedošlo k problému, že by se pohyb brány zastavil. To tedy potvrzuje moji domněnku, že problém nebude v software, ale někde v okruhu snímače zavřené brány. Zároveň jsem simuloval moji domněnku poruchy snímače zavřené brány a brána se chovala přesně podle popisovaného problému a to tak, že jakmile jsem nasimuloval signál na snímači (zavřená brána), pohyb brány se zastavil. Pokud následně signál na snímači pominul, brána se po 8 vteřinové prodlevě opět rozjela.
Tímto jsem ověřil, že program procesoru nemá žádnou závadu a funguje naprosto korektně dle specifikací.
INFO:
Sakul WORLD: www.sakul.cz/
Sakul YouTube: www.youtube.com/user/sakulraider

Možnost příspěvku (Donate):
Patreon: https://www.patreon.com/sakul
PayPal: SakulRaider@seznam.cz
BU: 670100-2208863541/6210
Uživatelský avatar
Sakul
Administrátor
Administrátor
 
Příspěvky: 1787
Věk: 45
Registrován: úte 30. bře 2010 18:13:08

Re: Elektronické řízení brány

Příspěvekod mi.ku » ned 19. čer 2011 20:44:17

Zdravím,dnes som presedel pri elektronike otvárania brány,prišiel som k jednemu uzáveru,že pokial som spuštal kažku dosku zvlášt,tak to išlo bez problémov,ale ked som ich spuštal sučasne.už začali mat problemy a to takého charakteru,že po zatlačení tlačítka štart sa spustila najskor jebna potom s oneskorením druhá,tak by to malo ist,no ked jednaprišla na koncovú polohu,snímač zastavila,ale súčasne zastavila aj druhá,čo neviem prečo,pričom zdroj neprekmitol,ale o čas cca 8sek.sa da do základnej polohy.Hned po uplynutí času sa začne zatvárat druhá brána,tasa včak zastaví,pretož tá predchádzajuca medzi časom prišla na koncovú polohu,toto sa opakuje takýmto sposobom neviem prečo a čo je tomu na príčine.Ako náhle ovládam tlačítkom štart každú samostatne ide to v poriadku.Na tlačítko privádzam nap.24V,totiž aj všetký snímače napájam napetím 24V.
Uživatelský avatar
mi.ku
Chcíplotina
Chcíplotina
 
Příspěvky: 14
Registrován: stř 13. dub 2011 15:11:40

Re: Elektronické řízení brány

Příspěvekod Sakul » ned 19. čer 2011 21:03:56

Zdravím,
v tento moment by se asi více než cokoli jiného hodilo nějaké schéma, jak to máte celé propojené. Také by bylo určitě dobré uvést jaké používáte koncové snímače. Neboť nemohu bez této znalosti spekulovat co by mohlo být špatně a jak to případně řešit.
Takže pokud sem dáte schéma Vašeho zapojení, rád se na to podívám a věřím, že společně přijdeme na to, kde je problém.
INFO:
Sakul WORLD: www.sakul.cz/
Sakul YouTube: www.youtube.com/user/sakulraider

Možnost příspěvku (Donate):
Patreon: https://www.patreon.com/sakul
PayPal: SakulRaider@seznam.cz
BU: 670100-2208863541/6210
Uživatelský avatar
Sakul
Administrátor
Administrátor
 
Příspěvky: 1787
Věk: 45
Registrován: úte 30. bře 2010 18:13:08

Re: Elektronické řízení brány

Příspěvekod mi.ku » ned 19. čer 2011 22:29:16

poslal som nieaké podklady na mail
Uživatelský avatar
mi.ku
Chcíplotina
Chcíplotina
 
Příspěvky: 14
Registrován: stř 13. dub 2011 15:11:40

Re: Elektronické řízení brány

Příspěvekod Sakul » pon 20. čer 2011 9:27:22

Díky, mail dorazil. Bohužel z osazovacích plánů můžu dost těžko dedukovat kompletní pospojování Vašeho systému (podstatné zde bude ono propojení obou desek řízení ze zdrojem a snímači). Opravdu by se hodilo schéma. Stačí něco nakreslené na papíře a oskenované. Vzhledem k tomu, že máte upravenou desku řízení a k ní dále připojenu další desku zdrojů, může být problém kdekoli.
INFO:
Sakul WORLD: www.sakul.cz/
Sakul YouTube: www.youtube.com/user/sakulraider

Možnost příspěvku (Donate):
Patreon: https://www.patreon.com/sakul
PayPal: SakulRaider@seznam.cz
BU: 670100-2208863541/6210
Uživatelský avatar
Sakul
Administrátor
Administrátor
 
Příspěvky: 1787
Věk: 45
Registrován: úte 30. bře 2010 18:13:08

Re: Elektronické řízení brány

Příspěvekod mi.ku » pon 20. čer 2011 21:02:22

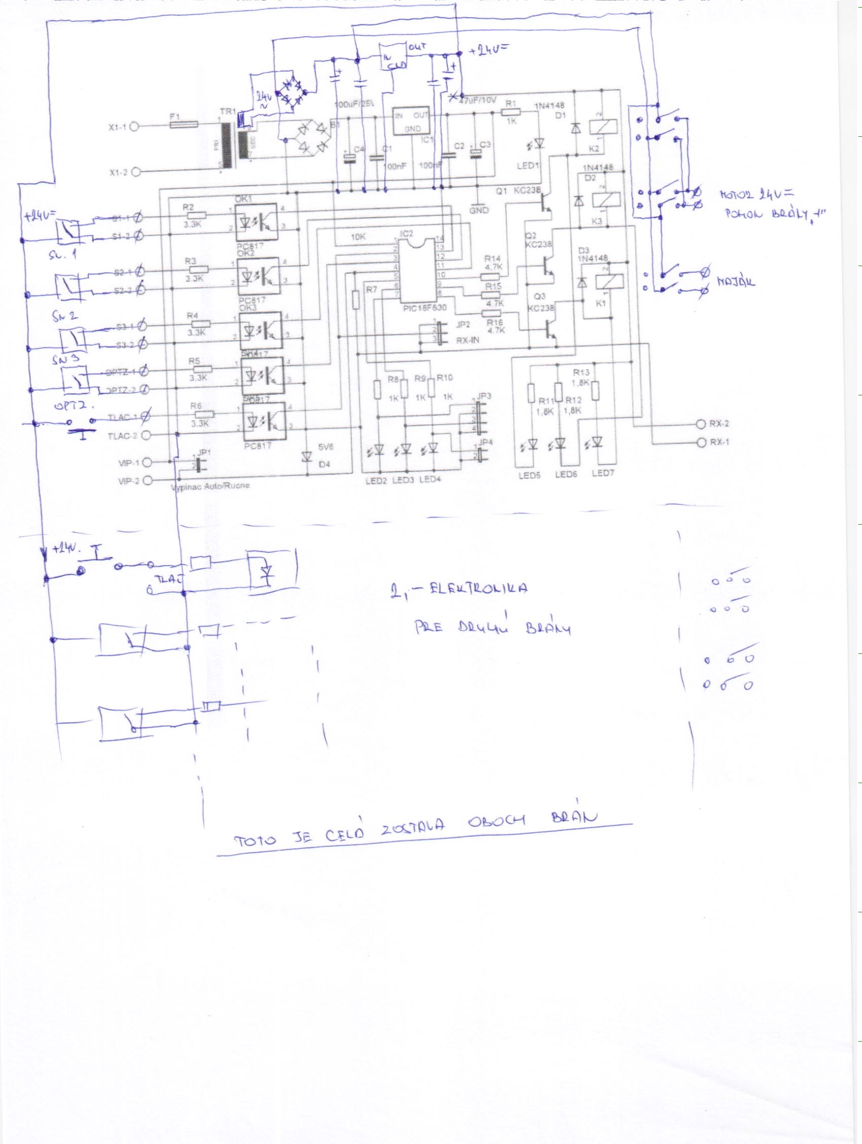
2011-06-20-2051-01.jpg

Dobrý večer prajem nehnevajte sa že som to len tak na zdrap papiera pokreslil,ale toto je schéma tak ako som zapojil obe dosky,dúfam že to prejde a bude sa to dat otvorit.Bohužial nemal som tak času lebo tento týžden mám 4 dni v zamestnaní práce až až.Dakujem s pozdravom Milan.
Okrem toho Vám posielam aj typ snímačov ktoré používam ako koncové,su to klasické jaz.relé Festo typ SME-8M-24V
Přílohy
23269116.jpg
Uživatelský avatar
mi.ku
Chcíplotina
Chcíplotina
 
Příspěvky: 14
Registrován: stř 13. dub 2011 15:11:40

Re: Elektronické řízení brány

Příspěvekod Sakul » úte 21. čer 2011 9:32:24

Takže snímače předpokládám SMT-8M-PS-24-M(OE). Tyto nebo podobné používáme v práci a jsou celkem bezporuchové. Nicméně jsem už viděl, že se rozpadl magnet v pístnici, který je vybavuje a pak to dělalo slušnou neplechu. Problikávaly snímače co nemají a koncová poloha byla pokaždé trochu jinde. Zde neříkám, že to je tento případ, jen upozorňuji na tuto možnost, která je sice minimální, ale jak sem psal už jsem se s tím setkal. Jinak sami snímače nemají tendence samovolně spínat, jako je tomu například u vadného indukčního Balluffu.
Jinak vzhledem k tomu, že veškeré vstupy jsou odděleny nemělo by k tomuto problému docházet. Nicméně, vstup s optočlenem, tak jak je navržen u této brány může být do značné míry citlivý. Takže asi jako první krok bych udělal jednoduchou věc. Pokud není možné sledovat vstup co dělá problémy nějakým rychlým měřícím přístrojem (osciloskop), pokusil bych se ho odpojit po čas otevírání, jestli i pokud bude odpojený brána zastaví na druhý snímač z druhého řízení. To je nutné zjistit nejprve. Pokud by zastavila současně s druhou bránou i při odpojeném snímači je tam něco brutálně špatně. Pokud nezastaví, je pravděpodobné, že se tam něco indukuje. Pak by mělo pomoci trochu otupit vstupy optočlenu. Lze použít odporový dělič, kde nastavíme nějaký vhodný svodový proud. Nebo je možno použít zenerovu diodu například na 12-15V v závěrném směru do vstupu optočlenu (na vstupu optočlenu samozřejmě ponechat dělič). S hodnotami součástek je nutné experimentovat.
Jinak předpokládám, že obě elektroniky řízení jsou bezprostředně vedle sebe a to včetně zdroje. Důležité je bezvadné propojení zemí, aby veškerá elektronika byla na stejném potenciálu.
INFO:
Sakul WORLD: www.sakul.cz/
Sakul YouTube: www.youtube.com/user/sakulraider

Možnost příspěvku (Donate):
Patreon: https://www.patreon.com/sakul
PayPal: SakulRaider@seznam.cz
BU: 670100-2208863541/6210
Uživatelský avatar
Sakul
Administrátor
Administrátor
 
Příspěvky: 1787
Věk: 45
Registrován: úte 30. bře 2010 18:13:08

Re: Elektronické řízení brány

Příspěvekod mi.ku » sob 25. čer 2011 18:04:18

Zdravím Vás
po dlhšom bádaní som prišiel na to,že z napetia 24V ,s ktorým som napájal snímače,relé,som napájel aj elektromotory,ktoré sposobovali to že po pripojení sa muselo niečo naindukovať cez optočleny niečo čo sposobovalo tieto hlúposti.Spravil som nasledovné,že som napájanie elektromotorov vyčlenil a napájam ich uplne oddeleným napájaním 24V,čo má za následok správnej funkcie zariadenia,ide bez problémov.Ale aj tak musím konštatovať,že sa vyskytla jedna chyba,ktorú neviem či sa podarí odstrániť.Pokusim sa to popísať:
Pri spustení otvárania brán ide všetko v poriadku,zapne jedmo krídlo a po oneskorení druhé krídlo,prídu na koncový snímač,ale nie súčasne,čo te príčina ,že ak príde prvá na snímač,začne odčítavať čas,zopne,začne sa zatvárať.Druhá ked príde s oneskorením,to znamená že čas sa podstatne predlži,nestihne prísť skoršie,ako by mala byť na mieste a nedosadne jedna do druhej,to znamená že nepríde na snímač,vyhodí poruchu,a toto neviem ako by sa dalo zosynchronizovať.
Inak všetko ide tak ako má isť ,teraz už bez problémov,až na danú skutočnost,ktorú ked vyriešime bude po probléme.
Za porozumenie a spoluprácu Vám veľmi pekne ďakujem,zatial,s pozdravom Milan
Uživatelský avatar
mi.ku
Chcíplotina
Chcíplotina
 
Příspěvky: 14
Registrován: stř 13. dub 2011 15:11:40

Re: Elektronické řízení brány

Příspěvekod Sakul » sob 25. čer 2011 20:24:51

Zdravím, tak to bude asi celkem problém. Mělo by se to vyskytnout pouze pokud bránou v automatu nikdo neprojde a v ručním režimu bohužel vždy. V automatu pokud bránou někdo projde a přeruší tak optickou závoru dojde k synchronizaci časů a pak by mělo být vše v pořádku. Zde se obávám, že řešení bude značně problematické. Nicméně za běžného provozu, pokud předpokládáme, že bránou někdo projde, by to mělo fungovat.
V současnosti mne nenapadá jak to co možná nejjednodušeji zasynchronizovat. Pokusím se nad tím trochu zamyslet a pak bych dal případně vědět, jestli bude nějaké řešení.
INFO:
Sakul WORLD: www.sakul.cz/
Sakul YouTube: www.youtube.com/user/sakulraider

Možnost příspěvku (Donate):
Patreon: https://www.patreon.com/sakul
PayPal: SakulRaider@seznam.cz
BU: 670100-2208863541/6210
Uživatelský avatar
Sakul
Administrátor
Administrátor
 
Příspěvky: 1787
Věk: 45
Registrován: úte 30. bře 2010 18:13:08

Re: Elektronické řízení brány

Příspěvekod Sakul » pon 04. črc 2011 13:24:03

Zdravím všechny co se snaží řízení zprovoznit pro dvoukřídlou bránu. Postupně se nám podařilo odladit křížení brány a nastavili jsme nějaké optimálnější časy. Bohužel se vyskytl problém právě s oním opožděným otevřením jednoho křídla. Křídlo, které nemá nastaveno opoždění pro otevření dorazí do koncové polohy dříve a protože obě elektroniky nemají mezi sebou vazbu rozhodí se nám čas pro zavření. Tento čas se nám synchronizuje pouze v momentě, kdy už máme obě brány na koncových snímačích (otevřeno) a zároveň ve zbylém čase před zavřením dojde k přerušení optické závory. Tím jsou všechny časovače v obou řízeních vynulovány a po odblokování optické závory jsou synchronizovány. Celé toto platí pouze pro režim AUTOMAT, kde je aktivní optická závora. V režimu RUČNĚ to ničemu nevadí, stačí, aby obsluha počkala, až budou obě křídla brány otevřená a pak teprve dala povel k zavření.
Z toho vyplývá, že máme problém pouze v AUTOMATU a to to pouze pokud bránou ve stanoveném čase po otevření nikdo neprojde a tak není přerušen paprsek optické závory, aby jeho přerušením mohlo dojít k synchronizaci obou řízení.
Protože není možné docílit se stávajícím hardwarem optimální synchronizace, lze to řešit pouze částečně změnou programu. Zde se jeví jako ideální stav, přidat stejnou prodlevu jaká je u opožděného otevření ještě do zpožděného zavření, čímž by se mělo dosáhnout jisté synchronizace obou řízení za předpokladu, že obě křídla se jinak pohybují stejně rychle. Bohužel toto řešení není dost dobře možné, neboť by mělo negativní vliv v případě, že by došlo k synchronizaci času přerušením OPTZ. Pak by se zavření provedlo dvakrát později než za normálních okolností. Nicméně pokud bude požadavek mohu tuto úpravu programu provést s tím, že zpožděné zavření bude mít čas 2x tak delší než zpožděné otevření. Pak první časové zpoždění bude kompenzovat dojezd druhého křídla a druhé zpoždění pak samotné zpoždění kvůli křížení vrat.
Také je tu ještě jedna možnost a to přidat nějaký hardware pro zajištění synchronizace. Zde by pak bylo nutné nějak logicky vyhodnocovat snímače polohy jednotlivých křídel a například úmyslným přerušováním OPTZ zajistit synchronizaci obou řízení. Toto řešení však nechávám na každém konstruktérovi a sám nic navrhovat nebudu.
Přílohy
Brana-1.2b.rar
TOTO JE TEDY UPRAVENÝ PROGRAM, KDE JE V AUTOMATU MÍSTO 2,5 VTEŘINY PRODLEVA 5 VTEŘIN.
(1.71 KiB) 2330 krát
INFO:
Sakul WORLD: www.sakul.cz/
Sakul YouTube: www.youtube.com/user/sakulraider

Možnost příspěvku (Donate):
Patreon: https://www.patreon.com/sakul
PayPal: SakulRaider@seznam.cz
BU: 670100-2208863541/6210
Uživatelský avatar
Sakul
Administrátor
Administrátor
 
Příspěvky: 1787
Věk: 45
Registrován: úte 30. bře 2010 18:13:08

Re: Elektronické řízení brány

Příspěvekod Sakul » úte 12. črc 2011 9:14:27

Vážení přátelé,
připravuji finální verzi programu jež je založena na Vašich ohlasech a požadavcích na drobné úpravy. V podstatě nejde o žádnou velkou změnu, v praxi budou akorát upraveny časy, tak aby vyhovovali co nejširší veřejnosti. Nová verze programu bude vycházet z verze 1.1. Takže co bude změněno:
1. Bude opravena drobná chyba z programu 1.1 (tato chyba nemá vliv na funkci brány je spíše kosmetická).
2. Bude upravena prodleva před uzavřením brány z 30s na 15s.
3. Bude upravena prodleva před reverzací z 500ms na 1,5s.

Pokud má ještě někdo nějaký zajímavý návrh co upravit, napište mi o tom zde. Jakmile bude tato nová verze hotová, už nebude možné dělat žádné změny, kromě změn, které budou placené a budou na konkrétní přání zákazníka. Jinak samozřejmě tato finální verze bude i nadále, jako všechny ostatní verze zcela zdarma.
Uzávěrka veškerých návrhů na změny ve finální verzi je 31.07.2011.
INFO:
Sakul WORLD: www.sakul.cz/
Sakul YouTube: www.youtube.com/user/sakulraider

Možnost příspěvku (Donate):
Patreon: https://www.patreon.com/sakul
PayPal: SakulRaider@seznam.cz
BU: 670100-2208863541/6210
Uživatelský avatar
Sakul
Administrátor
Administrátor
 
Příspěvky: 1787
Věk: 45
Registrován: úte 30. bře 2010 18:13:08

Re: Elektronické řízení brány

Příspěvekod Sakul » úte 18. říj 2011 13:12:23

Finální verze software pro řízení brány je hotova. Jde tedy o verzi 1.5Final.
Specifikace této verze najdete v příspěvku výše. Tímto jsem ukončil veškerý vývoj této konstrukce, včetně jakékoli podpory ve formě úprav programu. Pokud bude někdo chtít nějaké úpravy, musí si je udělat již sám, na základě dostupné verze ASM v úvodním příspěvku této diskuse ZDE. Dále se již věnuji pouze Elektronickému řízení brány v2 jež najdete ZDE.
Takže všem kteří si toto řízení postavili, přeji ať jim dlouho a dobře slouží.
INFO:
Sakul WORLD: www.sakul.cz/
Sakul YouTube: www.youtube.com/user/sakulraider

Možnost příspěvku (Donate):
Patreon: https://www.patreon.com/sakul
PayPal: SakulRaider@seznam.cz
BU: 670100-2208863541/6210
Uživatelský avatar
Sakul
Administrátor
Administrátor
 
Příspěvky: 1787
Věk: 45
Registrován: úte 30. bře 2010 18:13:08

Re: Elektronické řízení brány

Příspěvekod ferorybovic » úte 12. pro 2017 10:24:26

Dobrý deň chcem sa opýtať či by ste mi nemohli poslať program do PIC16F630 ešte v príkazových riadkoch v MPLAB lebo nemôžem to nahrať do PIC. Ako ste to nahrávali vy?
Uživatelský avatar
ferorybovic
Chcíplotina
Chcíplotina
 
Příspěvky: 5
Registrován: úte 12. pro 2017 10:18:59

Re: Elektronické řízení brány

Příspěvekod Sakul » úte 12. pro 2017 14:56:36

Zdravím,
program v ASM formátu je k dispozici zde: viewtopic.php?p=492#p492
V případě zájmu mne stačí kontaktovat přes mail nebo soukromou zprávou.

Jinak HEX (jež je k dispozici v dokumentaci k této konstrukci) jde samozřejmě naprosto bez problému nahrát. Jen je třeba zvolit správný tip procesoru neb jsou verze jak pro PIC16F630 tak i pro PIC16F676.
V případě problémů s nahráním do procesoru mohu nabídnout zaslání již naprogramovaného procesoru viz zde: viewtopic.php?p=489#p489
INFO:
Sakul WORLD: www.sakul.cz/
Sakul YouTube: www.youtube.com/user/sakulraider

Možnost příspěvku (Donate):
Patreon: https://www.patreon.com/sakul
PayPal: SakulRaider@seznam.cz
BU: 670100-2208863541/6210
Uživatelský avatar
Sakul
Administrátor
Administrátor
 
Příspěvky: 1787
Věk: 45
Registrován: úte 30. bře 2010 18:13:08

Re: Elektronické řízení brány

Příspěvekod ferorybovic » ned 17. pro 2017 14:23:14

Dobrý deň chcem sa opýtať či to pôjde aj bez snímača otočiek motora a keď nie tak kde to kúpim?
Uživatelský avatar
ferorybovic
Chcíplotina
Chcíplotina
 
Příspěvky: 5
Registrován: úte 12. pro 2017 10:18:59

Re: Elektronické řízení brány

Příspěvekod Sakul » ned 17. pro 2017 14:47:52

Bez snímače otáček motoru to nepojede neb se jedná o bezpečnostní prvek.
Lze použít jakýkoli vhodný snímač jež se hodí do Vaší konstrukce brány. Ideální jsou pak indukční snímače PNP umístěné někde na snímání ozubeného kola nebo jiné pohybující se součísti, která bude generovat na výstupu snímače impulzy s prodlevou max 1s.
Vhodné tipy snímačů najdete například zde.
INFO:
Sakul WORLD: www.sakul.cz/
Sakul YouTube: www.youtube.com/user/sakulraider

Možnost příspěvku (Donate):
Patreon: https://www.patreon.com/sakul
PayPal: SakulRaider@seznam.cz
BU: 670100-2208863541/6210
Uživatelský avatar
Sakul
Administrátor
Administrátor
 
Příspěvky: 1787
Věk: 45
Registrován: úte 30. bře 2010 18:13:08

Re: Elektronické řízení brány

Příspěvekod ferorybovic » pon 18. pro 2017 13:40:15

A nemohli by ste mi za poplatok zmeniť program aby som tam ten snímač nemusel dávať lebo ja to chcem dať na el. roletu a nie ozubené koleso. Mohli by ste mi to preprogramovať a poslať?
Uživatelský avatar
ferorybovic
Chcíplotina
Chcíplotina
 
Příspěvky: 5
Registrován: úte 12. pro 2017 10:18:59

Re: Elektronické řízení brány

Příspěvekod ferorybovic » pon 18. pro 2017 15:30:10

alebo ak by ste mi mohli poradiť kde dať to indukčne čidlo ak to chcem pripojiť na roletu?
Uživatelský avatar
ferorybovic
Chcíplotina
Chcíplotina
 
Příspěvky: 5
Registrován: úte 12. pro 2017 10:18:59

Re: Elektronické řízení brány

Příspěvekod Sakul » pon 18. pro 2017 16:25:48

Vzhledem k tomu, že tato konstrukce je ze všech nejstarší a integrace této funkce pro kontrolu motoru je na mnoha místech programu moc se mi do úpravy programu nechce.
Našel jsem tady program, kde je prodleva na tomto snímači nastavena na cca 4 vteřiny, případně je možno místo tohoto snímače připojit nějaký generátor, který bude generovat neustále pulzy, čímž se tato funkce jakoby vyřadí.
Další možností je navržení nového zařízení přesně dle požadavku.
Přílohy
Brana-v1_5-FINAL.hex
Upravený interval pro snímání otáček motoru na 4s.
(1.68 KiB) 1352 krát
INFO:
Sakul WORLD: www.sakul.cz/
Sakul YouTube: www.youtube.com/user/sakulraider

Možnost příspěvku (Donate):
Patreon: https://www.patreon.com/sakul
PayPal: SakulRaider@seznam.cz
BU: 670100-2208863541/6210
Uživatelský avatar
Sakul
Administrátor
Administrátor
 
Příspěvky: 1787
Věk: 45
Registrován: úte 30. bře 2010 18:13:08

Re: Elektronické řízení brány

Příspěvekod ferorybovic » pon 18. pro 2017 16:56:42

Tento generator by bol vhodný? https://www.gme.sk/generator-pulsu-s-ne555
Uživatelský avatar
ferorybovic
Chcíplotina
Chcíplotina
 
Příspěvky: 5
Registrován: úte 12. pro 2017 10:18:59

Re: Elektronické řízení brány

Příspěvekod Sakul » pon 18. pro 2017 20:23:34

ferorybovic píše:Tento generator by bol vhodný? https://www.gme.sk/generator-pulsu-s-ne555

Ano ten by mohl fungovat.
INFO:
Sakul WORLD: www.sakul.cz/
Sakul YouTube: www.youtube.com/user/sakulraider

Možnost příspěvku (Donate):
Patreon: https://www.patreon.com/sakul
PayPal: SakulRaider@seznam.cz
BU: 670100-2208863541/6210
Uživatelský avatar
Sakul
Administrátor
Administrátor
 
Příspěvky: 1787
Věk: 45
Registrován: úte 30. bře 2010 18:13:08

Předchozí

Zpět na Elektronika


  • Advertisement

Kdo je online

Uživatelé procházející toto fórum: Žádní registrovaní uživatelé a 36 návštevníků

cron