Sakul GRBL Board v1.0
Fáze vývoje:
Návrh schématu = 100%
Návrh PCB = 100%
První prototyp = 100%
Testování = 100%
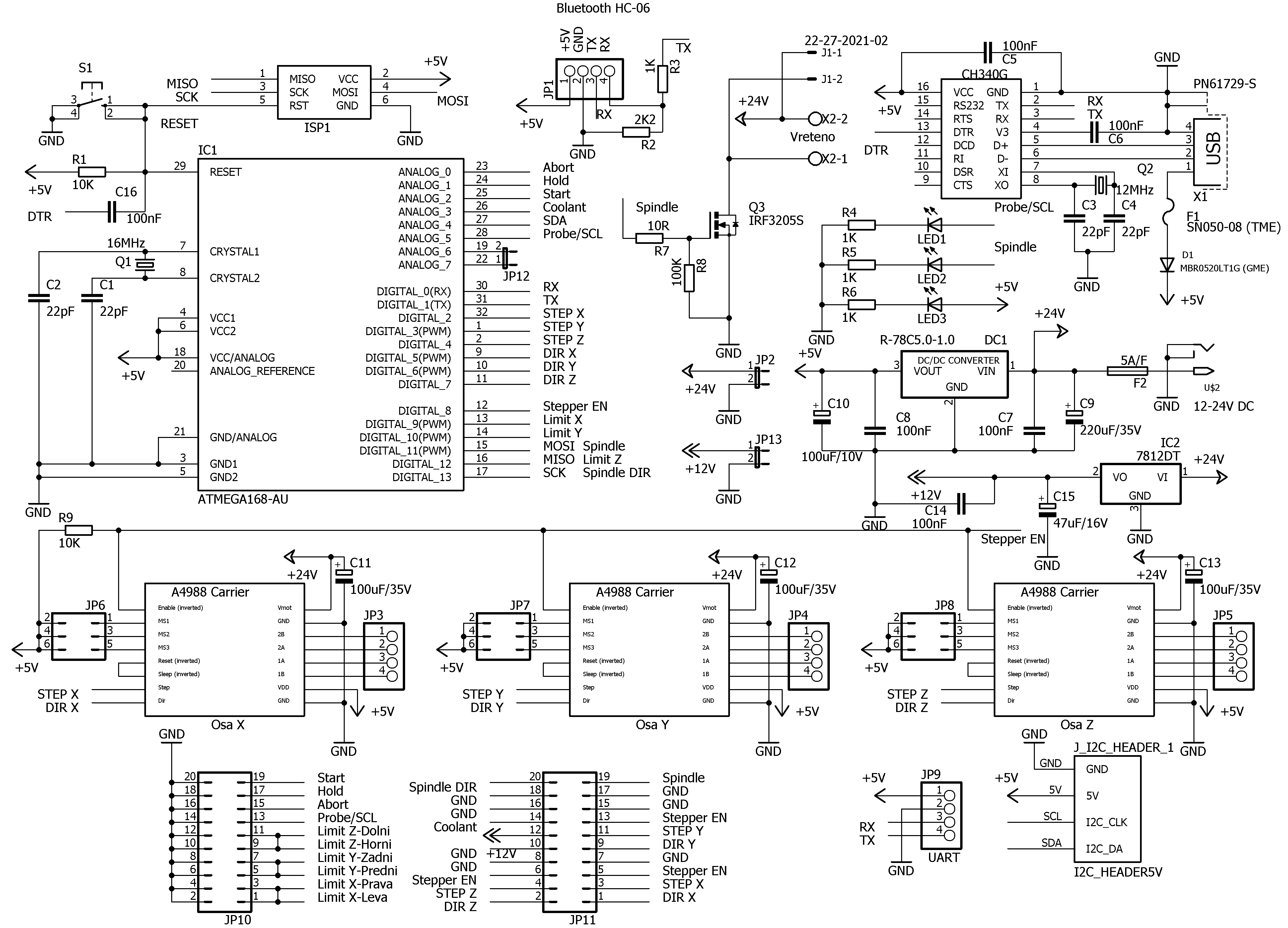
Když jsem se pustil do návrhu a stavby mé verze CNC frézky Sakul CNC v1 (Thingiverse), zjistil jsem, že použití elektroniky v kombinaci Arduino UNO + CNC Shield není zrovna optimální. Proto jsem se rozhodl navrhnout vlastní desku řízení, která by vyhovovala mým požadavkům.
Hlavní vlastnosti:
1. Napájecí napětí 12-24V
2. Výstup pro ovládání vřetene (PWM), případně pro Laser
3. 3 patice pro drivery krokových motorů
4. Možnost připojit Bluetooth modul HC-06/05
5. Výstup pro připojení externích výkonných driverů
6. Vstupy pro ovládací tlačítka
7. Vstup pro Sondu
8.Stabilizované napětí 12V pro napájení ventilátoru chlazení driverů
9. Firmware GRBL v0.9 a novější (doporučený v1.1)
10. Vhodná plastová krabička jako kryt
Takže pro případ, že by měl někdo zájem o tuto elektroniku je ZDE několik variant, které je možno dodat.
Následuje pár ukázek z vývoje a testování.



