Sakul Ramps (Ramps-S v1.x)

Toto fórum je věnováno sekci 3D Tisk na webu Sakul World.
  • Advertisement

Sakul Ramps (Ramps-S v1.x)

Příspěvekod Sakul » pát 15. pro 2017 16:41:01

V tomto vláknu se zabýváme touto konstrukcí. Bližší informace naleznete na webu Sakul World.
Takže pokud máte nějaké dotazy nebo připomínky rozhodně mi o tom zde napište.

Sakul Ramps (Ramps-S v1.2)

Fáze vývoje:
Návrh schématu = 100%
Návrh PCB = 100%
První prototyp = 100%
Testování = 100%

V případě, že by měl někdo zájem o tuto desku ZDE je seznam dostupných komponent včetně cen.

ZDE konstrukce mojí verze OLED Panelu včetně WIFI konektivity.

Zapojte se do vývoje a získejte zdarma prototyp Ramps-S. Více ZDE.

Doporučený firmware je v současnosti Klipper a konfig pro Ramps-S je ZDE.
Doporučený firmware Repetier: ZDE.
Firmware Marlin: ZDE.

Někdo možná již postřehl, že připravuji vlastní elektroniku pro řízení tiskárny, jejíž vývoj můžete sledovat zde.
Nicméně jsem se rozhodl ještě před jejím dokončením udělat nějaké testy a tak mi přišlo jako zajímavé udělat takový Shield pro Arduino MEGA podobný jako Ramps, na kterém otestuji základní funkce mé elektroniky a zároveň to bude taková levnější varianta pro méně náročné tiskárny. Takže se podívejme na základní vlastnosti:
1. Kompatibilní procesorová deska = Arduino MEGA
2. 6x Driver pro krokové motory v patici (E0,E1,E2 a X,Y,Z)
3. Každý driver má výstup pro 2 motory
4. Konektor pro Bluetooth modul HC-06/05
5. Konektory pro 5 teplotních čidel
6. Konektory pro koncové spínače 6x (X-max/min, Y-max/min, Z-max/min)
7. Konektory pro 4 serva s volitelným napájením 5/12V (PWM). Možno připojit různé sondy pro autoleveling
8. 4x konektor pro I2C sběrnici
9. 4x výkonový výstup pro topení (3x tryska, 1x podložka)
10. 2 napájecí pojistky. Jedna samostatná pro vyhřívanou podložku (v patici) a 1x pro motory, topení a ostatní napájení (v patici). Použity budou běžné malé Auto pojistky
11. Napájecí napětí 12-24V
12. Interní DC/DC stabilizátor na 12V pro napájení ventilátorů a Arduina
13. Konektory se zámkem pro připojení běžných displejů GLCD nebo LCD2004
14. Konektory s vývody napájení 5, 12 a 24V pro napájení další připojené elektroniky
15. Konektor se zámkem pro připojení dalších rozšiřujících desek (6x analobový vstup + 6x digitální I/O)
16. Volný UART pro připojení nějakého sériového zařízení (Bluetooth, WIFI a podobně)

Stavba Ramps-S v1.1:


Stavba rozšiřujícího modulu pro Ramps-S:


Na konci tohoto příspěvku najdete pár obrázků jak to bude vypadat. Jedná se však o pracovní materiál, takže konečné provedení se může drobně lišit.
Přílohy
STL - Krabičky.zip
Zde jsou k dispozici modely krabiček pro Ramps-S a Ramps-S EXTEND.
(1.15 MiB) 12160 krát
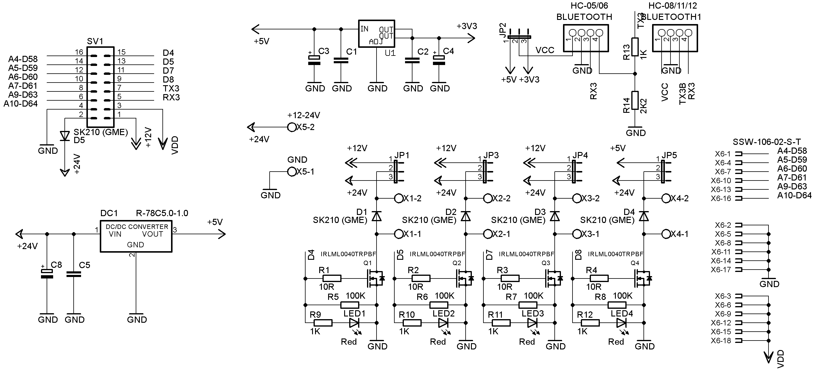
Schema.png
Ukázka pracovního schématu zapojení.
Osazeni-pracovni.png
Ukázka pracovního osazení
INFO:
Sakul WORLD: www.sakul.cz/
Sakul YouTube: www.youtube.com/user/sakulraider

Možnost příspěvku (Donate):
Patreon: https://www.patreon.com/sakul
PayPal: SakulRaider@seznam.cz
BU: 670100-2208863541/6210
Uživatelský avatar
Sakul
Administrátor
Administrátor
 
Příspěvky: 1787
Věk: 45
Registrován: úte 30. bře 2010 18:13:08

Re: Sakul Ramps (Ramps-S v1.0)

Příspěvekod Sakul » úte 23. led 2018 2:03:10

Takže jsem se dostal konečně z fáze teorie k funkčnímu prototypu. Momentálně jsem ladil firmware, aby s mojí deskou chodil. V současnosti testuji s firmware Repetier v0.92.9 a vše vypadá velice slibně. Měl jsem jen jeden drobný zádrhel s SD kartou, která sice fungovala, ale nešla detekce jejího vložení. Nakonec se mi to podařilo velice elegantně fixnout. Co je velice pozitivní je fakt, že je pro konfiguraci firmware stále možné používat webové rozhraní. Původně jsem se obával, že to nebude kvůli změnám v mapování vývodů desky možné, ale ukázalo se, že to jde vyřešit velice elegantně bez zásahu do souboru pins.h. Nicméně je i přesto nutné po nakonfigurování přes webové rozhraní nahrát upravený soubor ui.h, kde je definováno uživatelské rozhraní. Nicméně ho stačí nahradit a není nutné v něm nic editovat. Vše jsem již provedl.
Provedl jsem testování s displeji GLCD a LCD2004. Oba displeje a jejich ovladače pracují bez problému.
Následně budu ještě testovat funkci driverů a nějakých drobností na desce a doufám, že nenastanou nějaké problémy.

Bohužel se jedna chybička vloudila a docela mě potrápila (asi 1hodinu). Nějakým nedopatřením jsem udělal chybu ve schématu, která má zásadní vliv na napájení. Schválně kdo ji ve schématu z prvního příspěvku objeví. Naštěstí jde velice jednoduše fixnout jednou kratičkou drátovou propojkou.

O dalším vývoji budu informovat. Pokud by se chtěl někdo zapojit do testování může mne kontaktovat.
INFO:
Sakul WORLD: www.sakul.cz/
Sakul YouTube: www.youtube.com/user/sakulraider

Možnost příspěvku (Donate):
Patreon: https://www.patreon.com/sakul
PayPal: SakulRaider@seznam.cz
BU: 670100-2208863541/6210
Uživatelský avatar
Sakul
Administrátor
Administrátor
 
Příspěvky: 1787
Věk: 45
Registrován: úte 30. bře 2010 18:13:08

Re: Sakul Ramps (Ramps-S v1.0)

Příspěvekod Sakul » úte 23. led 2018 15:20:11

Zase jsem o kus dál, provedl jsem testy dalších komponent na Ramps-S a vše vypadá dobře. Otestoval jsem motory (zatím tedy pouze X, Y, Z a E0).
Další testy budou již probíhat na funkční tiskárně. Za tímto účelem použiji Rebela II, kterého momentálně stavím. Takže po dokončení na něm vyměním elektroniku a uvidíme jak to dopadne.

Brzo bude i kratičké video s ukázkou virtuálního tisku.

Zde ještě přikládám pár fotek, jak to vypadá:
Přílohy
2018-01-23 13.31.56.jpg
Horní strana
2018-01-23 13.32.09.jpg
Spodní strana
INFO:
Sakul WORLD: www.sakul.cz/
Sakul YouTube: www.youtube.com/user/sakulraider

Možnost příspěvku (Donate):
Patreon: https://www.patreon.com/sakul
PayPal: SakulRaider@seznam.cz
BU: 670100-2208863541/6210
Uživatelský avatar
Sakul
Administrátor
Administrátor
 
Příspěvky: 1787
Věk: 45
Registrován: úte 30. bře 2010 18:13:08

Re: Sakul Ramps (Ramps-S v1.0)

Příspěvekod pepeflash » úte 23. led 2018 17:30:49

Len tak ďalej. Som zvedavý na výsledok. Konečný výrobok bude aj na predaj ?
Uživatelský avatar
pepeflash
Chcíplotina
Chcíplotina
 
Příspěvky: 16
Věk: 51
Registrován: stř 10. led 2018 20:20:07
Bydliště: Komárno , SR

Re: Sakul Ramps (Ramps-S v1.0)

Příspěvekod Sakul » úte 23. led 2018 18:46:11

Jako u všech mých konstrukcí bude k dispozici PCB, sada součástek nebo kompletní modul.
INFO:
Sakul WORLD: www.sakul.cz/
Sakul YouTube: www.youtube.com/user/sakulraider

Možnost příspěvku (Donate):
Patreon: https://www.patreon.com/sakul
PayPal: SakulRaider@seznam.cz
BU: 670100-2208863541/6210
Uživatelský avatar
Sakul
Administrátor
Administrátor
 
Příspěvky: 1787
Věk: 45
Registrován: úte 30. bře 2010 18:13:08

Re: Sakul Ramps (Ramps-S v1.0)

Příspěvekod Sakul » úte 23. led 2018 19:47:01

A tady máte malou video ukázku s popisem základních funkcí:
INFO:
Sakul WORLD: www.sakul.cz/
Sakul YouTube: www.youtube.com/user/sakulraider

Možnost příspěvku (Donate):
Patreon: https://www.patreon.com/sakul
PayPal: SakulRaider@seznam.cz
BU: 670100-2208863541/6210
Uživatelský avatar
Sakul
Administrátor
Administrátor
 
Příspěvky: 1787
Věk: 45
Registrován: úte 30. bře 2010 18:13:08

Re: Sakul Ramps (Ramps-S v1.0)

Příspěvekod czgif » ned 04. úno 2018 10:22:06

Ahoj,


na otázku chyby ve schématu je to jednoduché chybí ti propojení GND na Arduino. Koukal jsem, že ve schématu na webu to máš už opravené :). Jen jsem se chtěl zeptat jak si tam vyvedl nepoužité piny do konektoru, proč si zrovna neudělal výstupy na ventilátory ofuku mat. desky, a třeba hotendu?



Jinak dobrá práce zatím ahoj Radim.
Uživatelský avatar
czgif
Chcíplotina
Chcíplotina
 
Příspěvky: 17
Registrován: ned 04. úno 2018 10:02:46

Re: Sakul Ramps (Ramps-S v1.0)

Příspěvekod Sakul » ned 04. úno 2018 11:16:35

No to je jednoduché. Toto je v podstatě taková testovací deska na které jsem si testoval nějaké věci pro připravovanou kompletní elektroniku. Takže nebyl důvod to tam bastlit všechno a už takhle je ta deska dost velká. Navíc k tomu bude rozšiřující modul, kde už todle vše bude (přikládám ukázku).
Jinak díky tomu, že je tam výstup pro topení 3 trysek jde to krásně použít jak pro trysku, tak ofuk výtisku a samozřejmě pro chlazení hotendu. Většinou nebývá potřeba další řízení. No a pokud ano je k tomu ten Extend modul.
Přílohy
Schema.png
Schéma Extend modulu.
Osazeni.png
Extend modul 50x50mm
Osazeni.png (27.65 KiB) Zobrazeno 266709 krát
INFO:
Sakul WORLD: www.sakul.cz/
Sakul YouTube: www.youtube.com/user/sakulraider

Možnost příspěvku (Donate):
Patreon: https://www.patreon.com/sakul
PayPal: SakulRaider@seznam.cz
BU: 670100-2208863541/6210
Uživatelský avatar
Sakul
Administrátor
Administrátor
 
Příspěvky: 1787
Věk: 45
Registrován: úte 30. bře 2010 18:13:08

Re: Sakul Ramps (Ramps-S v1.0)

Příspěvekod czgif » úte 06. úno 2018 10:14:04

Já jsem si myslel, že to asi tak budeš mít dělaný :) ale zeptal jsem se. Jinak tam plánuješ dát co za Chip 32bit?
Uživatelský avatar
czgif
Chcíplotina
Chcíplotina
 
Příspěvky: 17
Registrován: ned 04. úno 2018 10:02:46

Re: Sakul Ramps (Ramps-S v1.0)

Příspěvekod Sakul » úte 06. úno 2018 16:19:04

Takže předpokládám, že ATMEGA2560. Co jsem tak koukal, tak s 32bitem je na firmware Repetier trochu problém.
8bit to v pohodě utáhne a pokud bude chtít někdo něco náročnějšího, půjde k tomu v pohodě připojit MKS-TFT a ten již běží na 32bitu.
INFO:
Sakul WORLD: www.sakul.cz/
Sakul YouTube: www.youtube.com/user/sakulraider

Možnost příspěvku (Donate):
Patreon: https://www.patreon.com/sakul
PayPal: SakulRaider@seznam.cz
BU: 670100-2208863541/6210
Uživatelský avatar
Sakul
Administrátor
Administrátor
 
Příspěvky: 1787
Věk: 45
Registrován: úte 30. bře 2010 18:13:08

Re: Sakul Ramps (Ramps-S v1.0)

Příspěvekod Sakul » pon 02. dub 2018 21:33:05

V úvodním příspěvku přibylo video ze stavby této elektroniky. Takže, kdo by uvažoval o stavbě doporučuji se podívat.
INFO:
Sakul WORLD: www.sakul.cz/
Sakul YouTube: www.youtube.com/user/sakulraider

Možnost příspěvku (Donate):
Patreon: https://www.patreon.com/sakul
PayPal: SakulRaider@seznam.cz
BU: 670100-2208863541/6210
Uživatelský avatar
Sakul
Administrátor
Administrátor
 
Příspěvky: 1787
Věk: 45
Registrován: úte 30. bře 2010 18:13:08

Re: Sakul Ramps (Ramps-S v1.0)

Příspěvekod Sakul » stř 18. dub 2018 1:55:57

Takže zde jsem doplnil nějaké hodnoty součástek, které v původním schématu chyběli. C2, C4 a U1 se neosazují pokud je nepotřebujete. Hodnoty součástek nejsou kritické, kromě DC1, který musí být minimálně 1A (pokud hodláte používat Laser do cca 1W). Jde použít nějaký měnič od Traco Power například TSR1-2450.
Přílohy
PartList.txt
Seznam součástek
(2.17 KiB) 12225 krát
Schema.png
Schéma
Osazeni.png
Osazení
Osazeni.png (27.65 KiB) Zobrazeno 265655 krát
INFO:
Sakul WORLD: www.sakul.cz/
Sakul YouTube: www.youtube.com/user/sakulraider

Možnost příspěvku (Donate):
Patreon: https://www.patreon.com/sakul
PayPal: SakulRaider@seznam.cz
BU: 670100-2208863541/6210
Uživatelský avatar
Sakul
Administrátor
Administrátor
 
Příspěvky: 1787
Věk: 45
Registrován: úte 30. bře 2010 18:13:08

Re: Sakul Ramps (Ramps-S v1.0)

Příspěvekod ssiforum » pon 29. říj 2018 10:56:55

Zdravím.
Prosim tě, potřebuju se ujistit že správně osadim ledky a diody.
Na desce je vždy u jednoho kontaktu ledky čárka, ta označuje - ( katodu) ? Je to tak správně?

A jak na diodu? Na desce je označena trojúhelníkem (šipkou) směřující do leva/prava.... jak poznám na té diodě jakým směrem patří?

Jsem začátečník který se učí.

Děkuji ti.
Uživatelský avatar
ssiforum
Chcíplotina
Chcíplotina
 
Příspěvky: 2
Registrován: sob 29. zář 2018 23:56:08

Re: Sakul Ramps (Ramps-S v1.0)

Příspěvekod Sakul » pon 29. říj 2018 12:06:46

Při osazování SMD doporučuji se orientovat hlavně podle zapojení a nejen podle nějakého značení na PCB nebo v osazovacím výkresu.
Co se týká diod v této konstrukci, tak orientace D7,D8 je jasně vyznačena jak na PCB, tak v osazovacím výkresu a nijak se neliší od značení běžných diod. Navíc v osazovacím výkresu je to namalované dostatečně včetně značky, která by měla být i přímo na diodě a značí vždy Katodu. Nicméně vždy doporučuji osazovanou součástku, kde hrozí přepólování přeměřit a osazovat až dle naměřených hodnot. Obzvláště to doporučuji u LED diod, které nejsou většinou vůbec značené a je nutné je vždy před osazením přeměřit. Na PCB je i u LED značena Katoda.

Jinak bych chtěl všechny upozornit, že tato konstrukce NENÍ určena začátečníků, ani lehce pokročilým, ale spíše velmi zkušeným. Obsahuje totiž množství SMD součástek a poměrně husté osazení v THT s vývody hodně blízko u sebe a tak hrozí velice reálné riziko nechtěných můstků, jak mezi vývody součástek, tak i například mezi vývodem součástky a blízkým prokovem (už jsem toto několikrát u této konstrukce viděl), což může způsobit další zkraty, které mohou (a stává se) poškodit i připojenou desku Arduino MEGA. Proto je nezbytně nutné pracovat velice pečlivě a všechny spoje po zapájení okamžitě kontrolovat, zda nejsou ve zkratu nebo na nich nevznikl studený spoj. Velmi často vznikají studené spoje na výkonových součástkách, které nejsou dostatečně prohřáté. To může při provozu způsobit nahodilé problémy nebo dokonce požár. Je nutné si uvědomit že v této konstrukci tečou proudy až někde kolem 12-14A a to už není zanedbatelné a sebemenší přechodový odpor se vždy projeví.
INFO:
Sakul WORLD: www.sakul.cz/
Sakul YouTube: www.youtube.com/user/sakulraider

Možnost příspěvku (Donate):
Patreon: https://www.patreon.com/sakul
PayPal: SakulRaider@seznam.cz
BU: 670100-2208863541/6210
Uživatelský avatar
Sakul
Administrátor
Administrátor
 
Příspěvky: 1787
Věk: 45
Registrován: úte 30. bře 2010 18:13:08

Re: Sakul Ramps (Ramps-S v1.0)

Příspěvekod ssiforum » ned 04. lis 2018 13:51:01

Zdravím.
Ramps-S je postavený a funkční. Neřekl bych že pájení je náročnější o proti GRBL BOARDU. Záleží asi jak u koho.

Větší starosti jsem měl s nastavením pro svojí tiskárnu (nemám Rebela). Všechno nakonec dopadlo dobře a já se alespoň přiučil jak měnit firmware.
Přes webové rozhraní mi to nešlo a nejde do teď, stáhnu je konfiguraci kterou nakopíruju do tvého firmware a při kompilaci mi Arduino hodí chybu (mám tu verzi co si doporučil).

Jinak děkuji za tvoje návody, rady a hlavně za tvé konstrukce. Mám Ramps-S a GRBL Board. Všechno chodí jak má a určitě to můžu vřele všem doporučit.

Mirek
Uživatelský avatar
ssiforum
Chcíplotina
Chcíplotina
 
Příspěvky: 2
Registrován: sob 29. zář 2018 23:56:08

Re: Sakul Ramps (Ramps-S v1.0)

Příspěvekod Michalcin » pát 09. říj 2020 20:49:47

Dobrý deň.
Postavil som si RAMPS-S a začal som ho aj testovať (funguje mi displej, aj SD karta), ale pred tým, než som pripojil svoj 12V zdroj, aby som vyskúšal krokové motory, som si ešte preventívne skontroloval, či nevznikol nejaký skrat. A k môjmu veľkému rozčúleniu som zistil, že linka 24V je vyskratovaná ku GND (vopred sa ospravedlňujem za nesprávnu terminológiu). Žiadne viditeľné skraty som nespozoroval, medzi vývodovými súčiastkami nie je žiaden mostík. Skontroloval som obe diódy, dokonca som ich aj odstránil z plošného spoja, ale nič nepomohlo. Je možné, že som počas pájkovania SMD kondenzátorov jeden z nich prehrial a vytvoril tak skrat? (všetky elektrolytické SMD kondenzátory som pájkoval pomocou pasty a horúceho vzduchu, preto tie obavy). Alebo je problém inde? Je mi jasné, že nebude možné len tak povedať: áno, chyba je určite v C16-ke, odstráň ju :D
Skôr dúfam, že by mi niekto mohol dať nejaký tip, ako nájsť miesto, kde sa skrat nachádza bez toho, aby som musel odstraňovať súčiastku po súčiastke, až kým problém nezmizne. Dúfam, že sa tu nájde niekto, kto bude schopný pomôcť :|
Uživatelský avatar
Michalcin
Chcíplotina
Chcíplotina
 
Příspěvky: 5
Registrován: pát 09. říj 2020 17:34:55

Re: Sakul Ramps (Ramps-S v1.0)

Příspěvekod Sakul » pát 09. říj 2020 21:30:10

Bohužel zkrat je velmi zákeřná závada, protože nejde zjistit kde je, dokud se na něj nepřijde. Běžně se při jeho diagnostice postupuje tak, že se odpojují odzadu všechny komponenty a postupně se zjišťuje zda pominul. To na PCB nebývá dost dobře možné a tak nezbude něž postupně všechny komponenty prověřit a to většinou znamená je vypájet. A tento postup opakovat dokud se závada neodhalí.
Hlavně u kondenzátorů se může stát zkrat na jejich pájecích ploškách s přilehlým prokovem a dokud se daný kondenzátor nevyndá není možné tento případný problém odhalit.
Obzvlášť pokud byla pasta nanášena ručně bez použití šablony je riziko obrovské.
INFO:
Sakul WORLD: www.sakul.cz/
Sakul YouTube: www.youtube.com/user/sakulraider

Možnost příspěvku (Donate):
Patreon: https://www.patreon.com/sakul
PayPal: SakulRaider@seznam.cz
BU: 670100-2208863541/6210
Uživatelský avatar
Sakul
Administrátor
Administrátor
 
Příspěvky: 1787
Věk: 45
Registrován: úte 30. bře 2010 18:13:08

Re: Sakul Ramps (Ramps-S v1.0)

Příspěvekod Michalcin » sob 10. říj 2020 20:45:08

Ďakujem veľmi pekne za odpoveď Riadil som sa Vašimi radami a tak som najskôr odstránil kondenzátor C4. A verte tomu, alebo nie, mal som šťastie na prvý pokus! :lol: Kúsoček cínu, ktorý bol síce malý, ale úplne dostatočný na vytvorenie skratu, sa dotýkal tunelu, ktorý bol medzi dvoma kontaktmi kondenzátora. Akonáhle som to opravil, skrat zmizol.
A keď už teda môj Ramps-S funguje, tak sa ihneď aj podelím o svoje dojmy z prvého dňa jeho používania. Ako prvé ešte poviem, že konštrukcia pre mňa vôbec nebola náročná, dokonca ani SMD montáž nepriniesla žiadne problémy, napriek tomu, že som len študent a mnoho skúseností s SMD zatiaľ nemám. (samozrejme nepočítam ten problém so skratom, ktorý bol spôsobený mnou)
Samotný RAMPS-S po zapojení fungoval bez problémov, všetky základné funkcie tlačiarne pracovali ihneď po prvom zapojení (pohyb, vyhrievanie, chladenie, homing a auto bed leveling). Aj prvé testovacie tlače dopadli na výbornú. Jediné, čo mi robilo problémy ešte pred montážou bol nákup niektorých súčiastok. Nie som si istý, či proste len neviem používať Google, ale socket na poistky AUTO-MALASL-1538 som skrátka nebol schopný nájsť. Nakoniec som kúpil akýkoľvek socket podobný tomu, ktorý bol na fotke a k nemu poistky, ktoré doňho pasovali a následne obrúsil kontakty, keď to tam úplne dokonale nezapadalo. Kruté, ale funkčné, aspoň podľa mňa :lol: Takže ak by mi Sakul poslal link, kde sa tie sockety dajú zohnať, určite by som sa potešil :D (aj skôr mi mohlo napadnúť to sem napísať, uznávam) Tak či tak som veľmi rád, že som si túto dosku postavil keďže mi umožnila perfektne vylepšiť moju 3D tlačiareň tým, že ponúka omnoho viac možností, než RAMPS 1.4. Mimochodom, pridal som Ramps-S do najnovšej verzie Marlinu a to rovno v troch konfiguráciách výstupov. Pošlem ho do vlákna, ktoré sa zaoberá Marlinom pre Ramps-S, kde bude aj viac detailov. Dúfam, že to niekomu pomôže. Ešte raz ďakujem za všetko!
Uživatelský avatar
Michalcin
Chcíplotina
Chcíplotina
 
Příspěvky: 5
Registrován: pát 09. říj 2020 17:34:55

Re: Sakul Ramps (Ramps-S v1.0)

Příspěvekod Sakul » sob 10. říj 2020 21:37:38

Jsem rád, že se problém podařilo takto vyřešit.
Co se týká těch pojistkových pouzder, tak ty jsou z Číny. Konkrétně jde o typ SL-1538
https://www.aliexpress.com/item/503553051.html
Teď jak jsem na to koukal, tak název tam je, ale nějak se její název dobastlil do názvu knihovny AUTO-MALA, SL-1538. Holt tvorba knihoven pro Eagle není moje silná stránka.

Jinak za firmware budu určitě rád, a věřím, že to fanoušci Marlina ocení.
INFO:
Sakul WORLD: www.sakul.cz/
Sakul YouTube: www.youtube.com/user/sakulraider

Možnost příspěvku (Donate):
Patreon: https://www.patreon.com/sakul
PayPal: SakulRaider@seznam.cz
BU: 670100-2208863541/6210
Uživatelský avatar
Sakul
Administrátor
Administrátor
 
Příspěvky: 1787
Věk: 45
Registrován: úte 30. bře 2010 18:13:08


Zpět na 3D Tisk


  • Advertisement

Kdo je online

Uživatelé procházející toto fórum: Žádní registrovaní uživatelé a 0 návštevníků

cron