CNC Shield V4, Arduino NANO ATMega328, A4988, GRBL 1.1

Toto fórum je věnováno sekci CNC na webu Sakul World.
  • Advertisement

CNC Shield V4, Arduino NANO ATMega328, A4988, GRBL 1.1

Příspěvekod neilz » úte 28. lis 2017 17:28:29

Zdravim, testuju sestavu z komponentu CNC Shieldu V4, Arduino NANO ATMega328 , A4988, GRBL 1.1
GRBL nahraju prez xloader rychlosti 57600 ktere si vybere program pro danej cip a desku, vse se tvari OK, spustim candle, vyberu port a rychlost 115200, vse se zda se propoji jak ma ale po nahrani .nc souboru se motory vubec nechovaj jak maj, vpodstate jsou neustale seple a jednou za par sekund udelaj 1 krok, zkousel jsem vsechno mozne ale nedari se mi motory rozchodit, netusi nekdo v cem muze byt problem ?
Uživatelský avatar
neilz
Začátečník
Začátečník
 
Příspěvky: 45
Registrován: sob 19. srp 2017 16:58:32

Re: CNC Shield V4, Arduino NANO ATMega328, A4988, GRBL 1.1

Příspěvekod Sakul » úte 28. lis 2017 18:30:20

Ahoj,
takže já přikládám funkční NC program (jak jsi po mě chtěl). Je to přesně ten co jsem používal ve všech ukázkách. Je to určeno pro nástroj Vbit 2mm s úhlem 45° (ale pro zkoušku jde použít prakticky libovolný Vbit). Kromě chybové hlášky na začátku (o výměně nástroje, kterou stačí pouze potvrdit) tento NC program funguje dobře a dá se na něm krásně otestovat kompletní funkčnost stroje.
Když bude trocha času mrknu jak je zapojen ten CNC Shieldu V4 a zda to souhlasí s firmwarem GRBL v 1.1, nicméně s Arduino UNO a CNC Shieldu V3 to funguje normálně viz stavba mého prototypu, který běžel přesně na této sestavě.
Samotné otestování, lze provést i bez NC programu pouze s ručním ovládáním, kdy jde jednotlivými osami pohybovat.
Takže mé doporučení je provést následující kontroly:
1. Je správně zapojen driver v patici?
2. Je správně nastaven proud motoru?
3. Je správně připojen motor? Nejsou přehozeny dráty? (to bývá častý problém a motor pak nejde nebo se jen klepe a občas někam pootočí)
4. Je správně nastaveno mikrokrokování na 8 mikrokroků? (zde je nutno upozornit na chybu na CNC Shieldu V3, nevím zda je i na v4, že pokud není zapojena spojka M0 některé drivery nefungují například DRV8825 (režim FULLStep). S tím jsem se také trochu potrápil.
Přílohy
Napisy vsechny-45Vbit2mm.zip
Funkční NC program jež je možno načíst do Candle.
(73.39 KiB) 1120 krát
INFO:
Sakul WORLD: www.sakul.cz/
Sakul YouTube: www.youtube.com/user/sakulraider

Možnost příspěvku (Donate):
Patreon: https://www.patreon.com/sakul
PayPal: SakulRaider@seznam.cz
BU: 670100-2208863541/6210
Uživatelský avatar
Sakul
Administrátor
Administrátor
 
Příspěvky: 1787
Věk: 45
Registrován: úte 30. bře 2010 18:13:08

Re: CNC Shield V4, Arduino NANO ATMega328, A4988, GRBL 1.1

Příspěvekod neilz » úte 28. lis 2017 18:38:59

chova se to porad stejne,, drivery jsem zkousel jak 16 tak 32 mikrokrokove se vsema nebo s zadnou propojkou, motor obcas cukne po kroku a vzdy v tom samem smeru, draty jsem kontroloval, zkousel jsem je i ruzne prehazet a bud stejne chovani nebo zadne, grbl jsem zkousel snad 10 ruznejch verzi a ted i nahrat prez arduino, zkousel jsem i jine nano a vzdy stejne takze bud to bude tim zapojenim nebo opravdu netusim, zkousel jsem i jine PC a take bez rozdilu
Uživatelský avatar
neilz
Začátečník
Začátečník
 
Příspěvky: 45
Registrován: sob 19. srp 2017 16:58:32

Re: CNC Shield V4, Arduino NANO ATMega328, A4988, GRBL 1.1

Příspěvekod Sakul » úte 28. lis 2017 19:13:33

Takže jsem zběžně prošel zapojení toho CNC Shieldu V4 a mělo by sedět s CNC Shieldem V3. Samozřejmě to nesedí pro použití s firmwarem GRBL v1.1, kde jsou přehozeny vývody Limit Z a Spendle Enable. Nicméně to nemá vliv na funkci motorů, ale pouze na funkci vřetene. Takže dle mého názoru by to chodit mělo.
Ještě se tedy zeptám jaký zdroj používáš pro napájení toho Shieldu? (napětí a proud)
Také by se hodil výpis konfigurace tvého nastavení firmware. Sice defaultní nastavení po čistém nahrání firmware, by mělo být tak univerzální, že by mělo být funkční ve smyslu, že motory by měli normálně reagovat. Nicméně pokud jsi zkoušel různé verze, a čirou náhodou něco v konfiguraci změnil. přehrání firmware to nepřemaže. Hodnoty uložené v EEPROM se uchovají nezávisle na tom jestli firmware přehráváš. Takže pokud je tam něco špatně nastaveno bude se to stále zachovávat a proto je nutné tu konfiguraci projít a zkontrolovat zda opravdu sedí s TÍMTO nastavením.

Jinak tady přikládám schéma zapojení jednotlivých Shieldů a rozdíl v mapování vývodů u verzí firmware v0.8 a starších a v0,9 a novějších.
Přílohy
spindle grbl.jpg
Rozdíly v mapování vývodů různých verzí firmware
CNC_Shield_Schematic_V3.jpg
CNC Shield v3
Arduino-CNC-Shield-v4-Schematics.png
CNC Shield v4
INFO:
Sakul WORLD: www.sakul.cz/
Sakul YouTube: www.youtube.com/user/sakulraider

Možnost příspěvku (Donate):
Patreon: https://www.patreon.com/sakul
PayPal: SakulRaider@seznam.cz
BU: 670100-2208863541/6210
Uživatelský avatar
Sakul
Administrátor
Administrátor
 
Příspěvky: 1787
Věk: 45
Registrován: úte 30. bře 2010 18:13:08

Re: CNC Shield V4, Arduino NANO ATMega328, A4988, GRBL 1.1

Příspěvekod neilz » úte 28. lis 2017 19:26:09

EEPROM je ted v zakladnim nastaveni bez uprav, zkousel jsem ho nastavovat i podle tveho PDF
zdroj je 12v 2.5A z 2.5W laseru

jeste tu mam nekde arduino nano s procesorem 168, ma smysl na nej zkusit nahrat GRBL ?
Uživatelský avatar
neilz
Začátečník
Začátečník
 
Příspěvky: 45
Registrován: sob 19. srp 2017 16:58:32

Re: CNC Shield V4, Arduino NANO ATMega328, A4988, GRBL 1.1

Příspěvekod Sakul » úte 28. lis 2017 19:38:41

Takže zdroj by měl pro testování stačit (pokud je správně nastaven proud driverů), pro finální provedení 3 osého stroje je to však málo a doporučuji zdroj 4-5A.
To nastavení v odkazu co jsem dal je defaultní, respektive pro každou položku je uvedeno defaultní nastavení.
Takže pokud byly všechny kontroly OK, všechna nastavení jsou správná, tak zbývá poslední možnost a to že je něco vadné.
Pokud nemůžeš diagnostikovat co to je, tak se můžeme dohodnou, že mi tvou sestavu pošleš a já bych to otestoval a případně rozchodil. Dle mého je to asi nejrychlejší řešení. Pokud máš zájem, kontaktuj mne soukromou zprávou a dohodneme se.

Do procesoru 168 GRBL firmware nedostaneš, nemá dost paměti.
INFO:
Sakul WORLD: www.sakul.cz/
Sakul YouTube: www.youtube.com/user/sakulraider

Možnost příspěvku (Donate):
Patreon: https://www.patreon.com/sakul
PayPal: SakulRaider@seznam.cz
BU: 670100-2208863541/6210
Uživatelský avatar
Sakul
Administrátor
Administrátor
 
Příspěvky: 1787
Věk: 45
Registrován: úte 30. bře 2010 18:13:08

Re: CNC Shield V4, Arduino NANO ATMega328, A4988, GRBL 1.1

Příspěvekod neilz » úte 28. lis 2017 20:20:33

tak uz je to vyresene, https://www.youtube.com/watch?v=ZX3t-2s3XUo , jsou prohozene 2 piny pro drivery
upravil jsem si to a uz motory behaj jak maj
Uživatelský avatar
neilz
Začátečník
Začátečník
 
Příspěvky: 45
Registrován: sob 19. srp 2017 16:58:32

Re: CNC Shield V4, Arduino NANO ATMega328, A4988, GRBL 1.1

Příspěvekod Sakul » stř 29. lis 2017 0:29:06

Tak to je slušná vychytávka. Koukám tyto Shieldy jsou prošpikované chybami. Ještě že jsem od nich upustil.
INFO:
Sakul WORLD: www.sakul.cz/
Sakul YouTube: www.youtube.com/user/sakulraider

Možnost příspěvku (Donate):
Patreon: https://www.patreon.com/sakul
PayPal: SakulRaider@seznam.cz
BU: 670100-2208863541/6210
Uživatelský avatar
Sakul
Administrátor
Administrátor
 
Příspěvky: 1787
Věk: 45
Registrován: úte 30. bře 2010 18:13:08

Re: CNC Shield V4, Arduino NANO ATMega328, A4988, GRBL 1.1

Příspěvekod neilz » čtv 30. lis 2017 11:31:01

tak ja si upravil GRBL, vytvoril HEX a elektronika na stole slape fajn ale stejne bych si nejradsi udelal vlastni desku az se v tom zacnu vic orientovat :-D
Uživatelský avatar
neilz
Začátečník
Začátečník
 
Příspěvky: 45
Registrován: sob 19. srp 2017 16:58:32

Re: CNC Shield V4, Arduino NANO ATMega328, A4988, GRBL 1.1

Příspěvekod Sakul » čtv 30. lis 2017 13:27:00

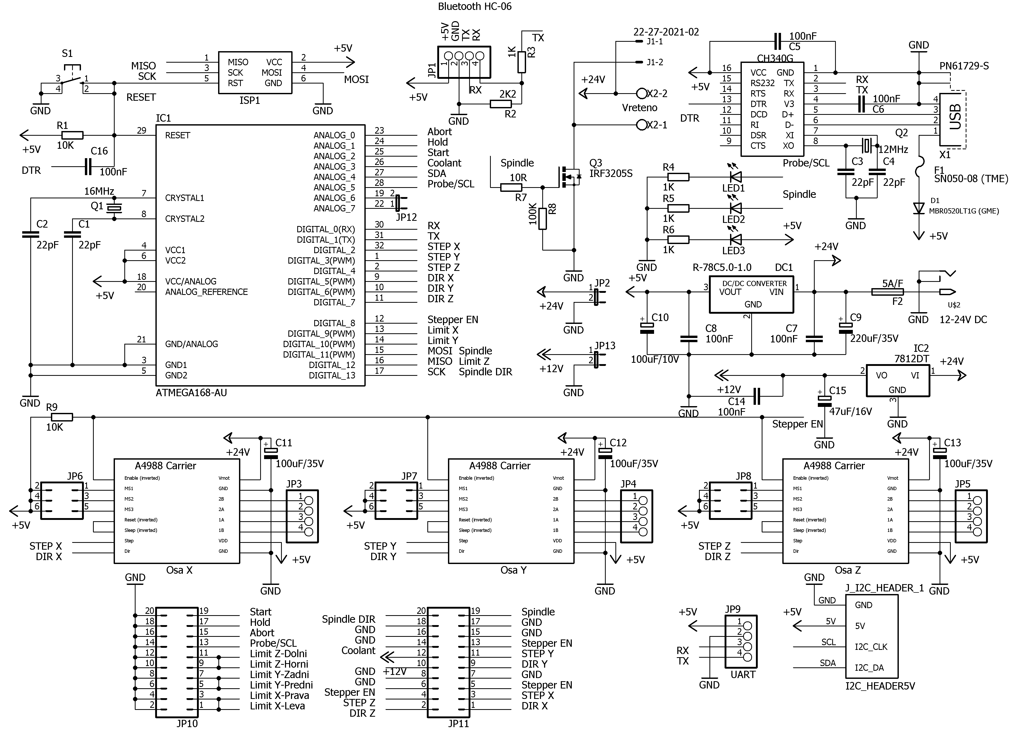
Tak předpokládám, že někdy kolem vánoc nebo hned ze začátku roku zveřejním moji verzi elektroniky: Sakul GRBL Board, která je již hotová a probíhá její testování a příprava dokumentace.
Bude dostupná jako všechny moje konstrukce formou samotné PCB, sady dílů (stavebnice) a nebo jako hotové funkční zařízení.

Pro ukázku přikládám pár obrázků.
Přílohy
Sakul GRBL Board.jpg
Sakul GRBL Board-Schema.png
Sakul GRBL Board-Osazeni.png
INFO:
Sakul WORLD: www.sakul.cz/
Sakul YouTube: www.youtube.com/user/sakulraider

Možnost příspěvku (Donate):
Patreon: https://www.patreon.com/sakul
PayPal: SakulRaider@seznam.cz
BU: 670100-2208863541/6210
Uživatelský avatar
Sakul
Administrátor
Administrátor
 
Příspěvky: 1787
Věk: 45
Registrován: úte 30. bře 2010 18:13:08

Re: CNC Shield V4, Arduino NANO ATMega328, A4988, GRBL 1.1

Příspěvekod neilz » čtv 30. lis 2017 13:54:22

uz mas predstavu o cene za osazenou desku ?
Uživatelský avatar
neilz
Začátečník
Začátečník
 
Příspěvky: 45
Registrován: sob 19. srp 2017 16:58:32

Re: CNC Shield V4, Arduino NANO ATMega328, A4988, GRBL 1.1

Příspěvekod Sakul » čtv 30. lis 2017 21:17:14

neilz píše:uz mas predstavu o cene za osazenou desku ?


Tak před chvílí jsem udělal nějaký součet a vypadá to následovně:
Stavebnice = 1000Kč
Hotové zařízení (Osazená PCB bez driverů) = 1500Kč
INFO:
Sakul WORLD: www.sakul.cz/
Sakul YouTube: www.youtube.com/user/sakulraider

Možnost příspěvku (Donate):
Patreon: https://www.patreon.com/sakul
PayPal: SakulRaider@seznam.cz
BU: 670100-2208863541/6210
Uživatelský avatar
Sakul
Administrátor
Administrátor
 
Příspěvky: 1787
Věk: 45
Registrován: úte 30. bře 2010 18:13:08


Zpět na CNC stroje


  • Advertisement
SvetHostingu.cz - ideální webhosting

Kdo je online

Uživatelé procházející toto fórum: Google [Bot] a 43 návštevníků

cron