Elektronické řízení brány v2.0

Toto fórum je věnováno sekci ELEKTRONIKA na webu Sakul World.

Moderátor: Spolupracovníci

  • Advertisement

Je pro Vás toto řízení zajímavější

ANO
6
86%
NE
0
Žádná hlasování
Staré pracuje dostatečně
0
Žádná hlasování
Ještě by to chtělo vylepšit
1
14%
 
Celkem hlasů : 7

Elektronické řízení brány v2.0

Příspěvekod Sakul » pát 20. kvě 2011 7:33:11

Tato verze brány není zatím hotová a nachází se ve stádiu vývoje.

Dokončeno = 30%

Tento týden jsem konečně začal pracovat na Elektronickém řízení brány v.2.0
Základ zůstává stejný s původním systémem, ale budou doplněny některé funkce a rozšíření. Hlavní rozdíl je v použití jiného procesoru a to PIC16F873, který disponuje dostatečný počtem portů. Díky tomu dojde k přidání funkce Vrátek, a to tím, že bude přidán další snímač, jež zastaví bránu v takové poloze, aby pěší pohodlně prošel, ale brána se zbytečně neotevírala celá. Když už jsme u těch snímačů, v nové verzi budou lépe vyřešeny vstupy. Vstupní signály budou i nadále odděleny optočleny + bude přidáno napájení těchto vstupů právě pro co nejpohodlnější zapojení optických a indukčních snímačů (průmyslové snímače například od výrobců Turck nebo Balluff), samozřejmě možnost použití mechanických koncových spínačů zůstane zachována. Také bude přepracováno celé napájení, jež už nebude obsahovat trafo, ale bude třeba externí napájení 24V (12V), to opět značně ulehčí montáž snímačů a stykačů pro pohon.
Dále budou obsažena dvě ovládací tlačítka. První bude mít naprosto stejnou funkci jako u stávající brány + druhé tlačítko bude ovládat režim Vrátek. Opět obě tlačítka budou moci být vyvedena kdekoli lokálně kabelem + dálkovým ovládáním. Dálkové ovládání zachovám od firmy Flajzar, neboť se osvědčilo a dokonce byly vyvinuty a zdokonaleny další modely i na 433MHz s kódováním KeeLoq.
Signalizace majáčkem bude také malinko přepracována, kde při pohybu brány bude majáček blikat a v případě poruchy zůstane po dobu trvání poruchy svítit.
Systém Automat/Ručně zůstane také zachován s tím, že bude možné změnit směr pohybu vrat i bez nutnosti čekat na koncovou polohu.
Přibude možnost volby různých provozních režimů a časů pomocí jumper spojek a tím co nejlépe nastavit provoz dle Vašich konkrétních požadavků.
Nyní mám několik dotazů ohledně funkcí, které integrovat či nikoli:
1. Přidání funkce brzdy motoru ? - Šlo by o další relé, které by sepnutím odbrzďovalo motor. Motor by samozřejmě musel být vybaven elektromagnetickou brzdou. Předpokládám, že by to značně zlepšilo přesnost dovírání a zároveň i bezpečnost takovýchto vrat a to ať už tím, že by se pohyb zastavoval téměř okamžitě nebo tím, že by se zamezilo možnosti bránu odtlačit ručně.
2. Vyřešení automatického zavření v automatu - Otázkou je zda například určit nejdelší čas, po který může být přerušena optická závora (viz níže) a poté vyhlásit chybu. Případně jak tuto chybu potvrzovat (automaticky nebo ručně obsluhou). Následně na to navazuje čas odblokování optické závory a zavření vrat (tento čas určuje jak dlouho má brána čekat od posledního přerušení a opětovného spojení optické závory na zavření viz níže).
3. Jednotlivé časy - Jde o to jaké nastavit časy a časové prodlevy pro různé akce:
A. Čas impulzu od motoru cca = 1vteřina (každou vteřinu musí přijít pulz od motoru), jde o kontrolu, že se motor nebo brána pohybuje. Tato funkce už byla u předchozí verze, ale zajímá mne zda je 1 vteřina optimální čas. Samozřejmě je ideální co nejdelší čas, pak je totiž hlídání univerzálnější, ale zároveň čím je tento čas delší hrozí větší riziko poškození motoru nebo jiné mechanické části vlivem jakékoli překážky nebo zaseknutí pohonu.
B. Čas blokování zavření brány optickou závorou = 1min (tento čas určuje jak dlouho může být optická závora přerušena) opět tato funkce s tímto časem byla i u předchozí verze. Opět je otázka zda je tento čas optimální případně je možno udělat dva tyto časy volitelné poté jumperem. Například 30vteřin / 1minuta.
C. Prodleva pro zavření po odblokování optické závory = 15vteřin (viz výše)
D. Prodleva pro reverzaci pohonu = zde byl původně použit čas 520ms, což se domnívám je hodně krátká doba, obzvláště pokud pokud není použit motor s brzdou. Bohužel tento čas opravdu dost dobře nedokážu vycucat z prstu a potřeboval bych nějakou praktickou zkušenost. Opět by asi byla možnost nastavit dva časy jumperem pro možnost použít motor s brzdou 1sec / 3sec pro motor bez brzdy.
E. Pokud Vám připadá, že by ještě někde měl být nastavený nějaký čas, prosím napište mi o tom.

V podstatě je pro mne v současnosti nejdůležitější vyřešení funkcí, které mají přímou souvislost s hardwarem. Časy jako takové jsou sice také důležité, ale jejich přesné odladění nemá vazbu na návrh hardware. Proto je například důležité vyřešení zda zařadit relé pro brzdu motoru, neboť toto relé již musí být řešeno integrací do hardware celého řízení. Stejně tak je důležité pokud mají být někde dva volitelné časy jumperem, zda je potřeba třeba jen volby dvou, tří nebo více různých času pro jednu funkci.
Samozřejmě pokud máte jakýkoli nápad co například stávající zařízení postrádá, napište mi o tom.
Jakmile bude dokončen návrh hardware, pokusím se vypracovat popis jednotlivých funkcí a k nim patřícím časům, abychom mohli co nejlépe odladit co a jak má brána v různých situacích dělat.

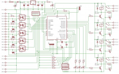
Takže hardware je orientačně hotov a tak zde přikládám schéma a osazovací plán:
Přílohy
schema.JPG
Schéma zapojení
osazeni.JPG
Osazovací plán
INFO:
Sakul WORLD: www.sakul.cz/
Sakul YouTube: www.youtube.com/user/sakulraider

Možnost příspěvku (Donate):
Patreon: https://www.patreon.com/sakul
PayPal: SakulRaider@seznam.cz
BU: 670100-2208863541/6210
Uživatelský avatar
Sakul
Administrátor
Administrátor
 
Příspěvky: 1787
Věk: 45
Registrován: úte 30. bře 2010 18:13:08

Re: Elektronické řízení brány v2.0

Příspěvekod m.svatopluk » ned 29. kvě 2011 11:28:02

Zajímavé řešení.Již něco podobného mám,řízeno procesorem zdaleka ne tak propracované.Vstupy přes optočleny.Když použiji na ovládání motorů brány stykač a motor 380V je chování brány nepředvídatelné.Na jiný druh motoru vše pracuje jak má.Stykače jsou vzdáleny asi 1m od elektroniky brány,ale silové a ovládací vodiče jsou k bráně vedeny společně.Možná by stálo za to ošetřit programově vstupy procesoru.
Míra
Uživatelský avatar
m.svatopluk
Chcíplotina
Chcíplotina
 
Příspěvky: 3
Registrován: ned 29. kvě 2011 11:14:06

Re: Elektronické řízení brány v2.0

Příspěvekod Sakul » ned 29. kvě 2011 13:08:29

Díky za zajímavé postřehy. U první verze brány a prototipové desky spojů jsem také měl za určitých podmínek občas problém s rušením. Tehdá to bylo způsobeno napájecím trafem. Problém se podařilo vyřešit změnou desky spoje a zařazením jedné diody. Samozřejmě za určitých podmínek při vedení silové a ovládací kabeláže může k rušení docházet. Problém je celkem v tom, že optočleny jsou dost citlivé, sice méně než samotné vstupy procesoru, ale i tak jim stačí celkem málo. Určitě by to šlo řešit nějakým děličem na vstupu nebo jiným optočlenem.
Jinak nevím co přesně si představit pod programovým ošetřením vstupů procesoru, zkuste toto téma trochu rozvést.
INFO:
Sakul WORLD: www.sakul.cz/
Sakul YouTube: www.youtube.com/user/sakulraider

Možnost příspěvku (Donate):
Patreon: https://www.patreon.com/sakul
PayPal: SakulRaider@seznam.cz
BU: 670100-2208863541/6210
Uživatelský avatar
Sakul
Administrátor
Administrátor
 
Příspěvky: 1787
Věk: 45
Registrován: úte 30. bře 2010 18:13:08

Re: Elektronické řízení brány v2.0

Příspěvekod m.svatopluk » ned 29. kvě 2011 18:56:06

také jsem s tím rušením dost bojoval.Opatřil jsem všechny vstupy do desky elektroniky toroidy.Trochu se to zlepšilo klidně i 10x jsem bez problémů otevřel a zavřel což bez toroidů nebylo možné,ale klidně po jedenácté si vrata udělala co sama uznala za vhodné.Po krátkém odpojení napájení zase vše pracovalo bez závad.Nejúčinější se ukázalo vstup optočlenu napájet samostatným zdrojem bez jakéhokoli spojení z deskou elektroniky.A co jsem myslel s tím ošetřením vstupů?Něco proti zákmitům tlačítek (optočlenů),aby se vyhodnotil až signál, který trvá delší dobu. Zkoušel jsem i na vstupy optočlenů kondenzátory bez valného zlepšení.Jak použiji ss motor ovládaný pouze relátky z elektroniky tak nepotřebuji žádné oddělené napájení ani toroidy a vše pracuje bez závad.Mám totiž ovládaná vrata dvoje,tak mohu porovnat.
M
Uživatelský avatar
m.svatopluk
Chcíplotina
Chcíplotina
 
Příspěvky: 3
Registrován: ned 29. kvě 2011 11:14:06

Re: Elektronické řízení brány v2.0

Příspěvekod Sakul » ned 29. kvě 2011 19:42:55

Díky, ošetření vstupů proti zákmitu rozhodně hodlám použít.
Pokud se mohu ještě zeptat, jaký používáte pro řízení procesor? Případně jak máte ty vstupy s optočleny řešeny. Shodně jako já s integrovanými PULL-UP odpory, nebo externími? Já měl problém tehdá pouze na jednom vstupu a to na RA3 (PIC16F630), kde při logické nule občas vlivem rušení procesor vyhodnotil log 1. Na vstupech s optočleny jsem tento problém neměl, ale také jsem neměl v blízkosti 400V pro motor.
Rozhodně je dobré vědět, že se tyto problémy mohou vyskytnout a tak se pokusit jim předejít. Pokud máte ještě další postřehy ohledně řízení a to ať už praktické z provozu nebo nápad co by takové řízení mělo obsahovat, budu rád pokud se podělíte.
V současné době to nechávám trochu uzrát, než se pustím do psaní programu. Není nad to vše důkladně promyslet.
INFO:
Sakul WORLD: www.sakul.cz/
Sakul YouTube: www.youtube.com/user/sakulraider

Možnost příspěvku (Donate):
Patreon: https://www.patreon.com/sakul
PayPal: SakulRaider@seznam.cz
BU: 670100-2208863541/6210
Uživatelský avatar
Sakul
Administrátor
Administrátor
 
Příspěvky: 1787
Věk: 45
Registrován: úte 30. bře 2010 18:13:08

Re: Elektronické řízení brány v2.0

Příspěvekod m.svatopluk » úte 31. kvě 2011 19:35:58

Tak v zapojení brány mám procesor 16f84 s rc oscilátorem.Program jsem nepsal, protože to neumím.Pull up odpory jsou použity externí.Program mám i v texťáku, tak budete li mít zájem mohu zaslat k nahlédnutí.Koukal jsem na zapojení vašich vstupů, které umožnují jakékoli napájení optočlenů jak z interního zdroje,tak z externího,zož já neměl a musel provádět nevzhledné úpravy plošného spoje.Další dobrý nápad je snímání pulzů při chodu motoru a tím i možnost okamžitého zastavení.Já toto mám řešeno časově a těch 25s které mám nastaveno se v případě zablokování vrat zdá nekonečné, než dojde k vypnutí.Další váš dobrý nápad je nečinost fotobuńky při otevírání.Toto nemám, bydlím u dost frekventované komunikace a nejraději bych již najel do zpola otevřených vrat,abych nevytvářel překážku v silničním provozu,ale nemohu protože fotobuńka je v činnosti.Jinak, jak jsem psal mám ovládána dvoje vrata jedny dvoukřídlové u kterých využívám motory z natáčení paraboly.Tyto pohony mají integrován jazýčkový snímač otáček,který nevyužívám,ale až postavím vaši verzi,tak budu.Druhé vrata jsou posuvné poháněné 3f motorem 600W.Na které vstupy mělo vliv rušení jsem nikdy nezjistil,ale myslím že to byly oba koncové spínače.Odpojil li jsem napájení do motoru a nechal cvakat stykaže dle rele pro otevírání neb zavírání nikdy k rušení nedošlo.S napájením motoru k rozjezdu vrat došlo vždy a problém nastal při vypnutí v poloze otevřeno.Zde měl motor čekat na signál z DO,ale nečekal začal zavírat.V poloze zavřeno nastal stejný jev.Oprava nastala až po odpojení napájení elektroniky.jindy v poloze otevřeno přestala vrata reagovat na DO,opět vypnutím napájením se vše opravilo.A ještě na závěr proč to vše dělám?V okolí sousedé mají toto zařízení profi a ne bezporuchové.Jedná se samozřejmě o procesorová zařízení jejíž program nikdo nezná, snad nějaký Ital, ktertý ho nedá.Jedině celé zařízení za 6000Kč.A to já mám 4kusy a nemusím poslouchat výmluvy servisů že na toto již nic nemají a že si mám koupit nové.To umí každý v..l.
M
Uživatelský avatar
m.svatopluk
Chcíplotina
Chcíplotina
 
Příspěvky: 3
Registrován: ned 29. kvě 2011 11:14:06

Re: Elektronické řízení brány v2.0

Příspěvekod Sakul » úte 31. kvě 2011 21:18:29

Opět děkuji za postřehy.
Já jsem vlastně nikdy ani nijak moc toto řízení nestudoval. První verze vznikla na prosbu kolegy a tak jsem okopčil vrata co máme v práci (profi). Samozřejmě ty jsou podstatně chytřejší, ale jako inspirace posloužili dobře. Sám mám zkušenost, že pokud je cokoli řízeno programem, funguje to do té doby, dokud jsou všechny podmínky pro chod ideální a předpokládané programátorem. Mnoho programů se začíná chovat chaoticky pokud mu provedeme něco s čím programátor nepočítal. Sám se snažím ošetřit nejen možné a předpokládané stavy, ale hlavně stavy, které nejsou zrovna předpokládané. Nicméně ani při té nejlepší vůli není možné myslet na všechno. Výhoda těchto procesorů je, že do jisté míry je možné program upravit. Ovšem i na této konstrukci je patrné, že to nejde do nekonečna. Ale věřím, že tato druhá verze bude dostatečně univerzální a zase o něco chytřejší než ta původní.
Jak jsem zjistil, je hodně lidí co si dokážou udělat mechaniku, ale mají problém právě s řízením. U nás v práci to několik lidí řešilo použitím programovatelných automatů, které to samozřejmě zvládnou dokonale, ale ta cena ve výsledku převýší cenu kompletních profi vrat. Na druhou stranu to však dělá přesně to co majitel chce a ne to co chce nějakej Ital jak píšete.
V současnosti přemýšlím nad tou brzdou. Schválně jsem přidal jedno relé, které by mělo ovládat případnou brzdu v motoru. Nevím však zdali to není zbytečné, protože brzda by mohla být spínána snad i stikačem od pohonu. Ještě se nad tím zamyslím a třeba nakonec zbude jedno relé pro nějakou jinou funkci. Uvidíme jak to dopadne.
INFO:
Sakul WORLD: www.sakul.cz/
Sakul YouTube: www.youtube.com/user/sakulraider

Možnost příspěvku (Donate):
Patreon: https://www.patreon.com/sakul
PayPal: SakulRaider@seznam.cz
BU: 670100-2208863541/6210
Uživatelský avatar
Sakul
Administrátor
Administrátor
 
Příspěvky: 1787
Věk: 45
Registrován: úte 30. bře 2010 18:13:08

Re: Elektronické řízení brány v2.0

Příspěvekod PHILIPE » sob 21. dub 2012 16:37:46

mám jen malou připomínku celá aplikace je velmi zajímavá pochopil jsem že se nyní věnujete elektronice a vývoje čipu pro řízení dvoukřídlové brány , zde bych pro praktické použití jenom upozornil , že optozávora by měla fungovat tak že při jejím přerušení/překážka/by se měly oba motory co nejdříve zastavit a reverzovat směrem na otevření. Při otvírání by nemusela tato optozávora vůbec fungovat.dále by bylo dobré přidat funkci kdy se dá brána uvést do chodu jedním impulsem druhým zastavit a třetím reverzovat tzv otevřít-stop-zavřít-stop-otevřít .......atd. Zpoždění křídel mezi sebou při otvíraní by mohlo být samozřejmě konstantní např 3s ale při zavírání je třeba počítat s různými dráhami otevřených křídel snad řešit trimrem a samozřejmě v programu řešit přehozením pořadí křídel při zavírání.jinak velmi dobré řešení a inspirující děkuji philipe
Uživatelský avatar
PHILIPE
Chcíplotina
Chcíplotina
 
Příspěvky: 3
Registrován: sob 21. dub 2012 16:14:55

Re: Elektronické řízení brány v2.0

Příspěvekod PHILIPE » sob 21. dub 2012 17:06:59

chci ještě dodat že čas vypnutí jednotlivých motoru není třeba řešit jedná se o motory se dvojím vinutím obousměrné takže stačí pouze v okamžiku povelu vypnout relé a motor se zastaví v při odpojení fáze . Dále by bylo záhodno již složitější věc aby došlo k zastavení motoru při dojetí na koncovou polohu/hlídáním proudového odběru/,a poslední připomínka vyřešit asi trimrem čas celkového chodu brány to je také důležité že by při koncových polohách kdy by nedošlo k automatickému vypnutí se brána po čase stejně vypnula. Čas kdy by se měla brána automaticky zavírat by měl být volitelný nebo nastavit nejpoužívanější na 20s , Po průjezdu optozávorou při čekání na automatické zavírání by se měl čas např 20s počítat od znova. Děkuji za možnost příspěvku Philipe
Uživatelský avatar
PHILIPE
Chcíplotina
Chcíplotina
 
Příspěvky: 3
Registrován: sob 21. dub 2012 16:14:55

Re: Elektronické řízení brány v2.0

Příspěvekod Sakul » sob 21. dub 2012 17:37:49

Děkuji za připomínky.
Samozřejmě při přerušení paprsku závory, se pohony zastavují a pohyb reverzuje. Tato funkce je u všech bran co jsem zatím navrhl. Stejně tak i u přerušené závory v momentě otevírání, kdy nemá na funkci vliv. Funkce otevřít-stop-zavřít-stop-otevřít je částečně i u stávající verze, ale nemá stop a je to trochu jinak řešeno. Nicméně pro tuto novou verzi s tím počítám.
Jen trochu nechápu poslední příspěvek s vypínáním motoru. Motory jsou samozřejmě vypínány při dojetí na koncové polohy. Vypínání v případě nadproudu nehodlám zatím použít, neb to vyžaduje zcela specifický motor a já chci, aby řízení bylo univerzální, tedy fungovalo stejně s jakýmkoli motorem. Funkci nadproudové ochrany řeším snímáním fyzického pohybu motoru.
Celkový chod dráhy je taktéž dost problematický. Z důvodu univerzálnosti není příliš vhodný, ale uvažuji o jistém času, silně nadsazeném, pro případ mechanického selhání.
A poslední věc s časem automatického zavření. Postupem času a dle názoru uživatelů jsme dospěli k hodnotě 15s, ale ano tento čas bude v určité míře uživatelsky volitelný.

Jinak schéma v úvodu tohoto tématu bylo spíše inspirativní a nyní už mám přesnější představu a můžu říct, že bude trochu složitější. Dokonce bych se v případě většího zájmu chtěl pokusit i o vzdálené ovládání a diagnostiku například z PC nebo mobilního telefonu přes nějakou jednoduchou aplikaci. Ale to je zatím vzdálená budoucnost. Hlavní je zprovoznit základní režimy a programová vylepšení se mohou ladit průběžně.
INFO:
Sakul WORLD: www.sakul.cz/
Sakul YouTube: www.youtube.com/user/sakulraider

Možnost příspěvku (Donate):
Patreon: https://www.patreon.com/sakul
PayPal: SakulRaider@seznam.cz
BU: 670100-2208863541/6210
Uživatelský avatar
Sakul
Administrátor
Administrátor
 
Příspěvky: 1787
Věk: 45
Registrován: úte 30. bře 2010 18:13:08

Re: Elektronické řízení brány v2.0

Příspěvekod PHILIPE » sob 21. dub 2012 19:11:42

koncové spínače jsou velmi užitečné při otevření brány dvoukřídlové ale při zavření brány je potřeba aby se křídla opřela jistou silou do koncového dorazu jestliže jsou zde jen koncové spínače muselo by se křídlo opírat o druhé křídlo nebo při zavření do koncové polohy zavřeno by byla brána velmi uvolněná nedošlo by zde k přítlaku motoru a brána by se jevila jako nestabilní a volná a ne jako překážka.Jestli máte trošku představu při zavření se brána zatlačí do dorazu resp první zavírající křídlo a druhé již bránu přitlačí,je jasné že v tento moment by koncový spinač neměl význam a musel by se navolit čas tzv pracovní kdy brána od impulsu zavření vypne.bylo by to velmi pozitivní pro vlastní funkci.Nehledě nato že toto je použito u všech elektronik které řídí křídlové brány.Jinak děkuji za odpověď prominte vycházím z praktických zkušeností co by elektronika měla umět ještě jednou děkuji s pozdravem philipe
Uživatelský avatar
PHILIPE
Chcíplotina
Chcíplotina
 
Příspěvky: 3
Registrován: sob 21. dub 2012 16:14:55

Re: Elektronické řízení brány v2.0

Příspěvekod Sakul » sob 21. dub 2012 19:48:25

Musím se přiznat, že o dvoukřídlých bránách toho moc nevím. Původně jsem navrhl bránu klasickou a až na žádosti uživatelů jsem se začal zabývat dvěma křídly. Bohužel to bylo na první verzi brány, která s touto možností vůbec nepočítala a proto nebyla pro tento systém vůbec vhodná. Částečně i proto jsem se začal zabývat touto druhou verzí. Jsem proto rád za Vaše postřehy ohledně této problematiky.
Samozřejmě patřičného přitlačení křídel brány lze dosáhnout i bez nutnosti vypínat motor vlivem nadproudu. Takto je to jak píšete řešeno u většiny sériových vrat, které mají však přesně specifikovaný hardware a není s tím problém. Zároveň se tímto způsobem dá řešit mnoho bezpečnostních funkcí a samozřejmě je to značná finanční úspora. Bohužel je tento systém prakticky nepoužitelný pokud požadujeme univerzálnost na použitý motor. Proto předpokládám použití například spojky, která funguje podobně jako nadproudová ochrana a ve spojení se snímáním otáček je schopna docílit stejného efektu. Samozřejmě existují další možnosti jak dosáhnout požadovaných výsledků. Proto je nutné najít optimální řešení, tak aby byla zachována univerzálnost, ale i přiměřená funkčnost a neposlední řadě také cena.
INFO:
Sakul WORLD: www.sakul.cz/
Sakul YouTube: www.youtube.com/user/sakulraider

Možnost příspěvku (Donate):
Patreon: https://www.patreon.com/sakul
PayPal: SakulRaider@seznam.cz
BU: 670100-2208863541/6210
Uživatelský avatar
Sakul
Administrátor
Administrátor
 
Příspěvky: 1787
Věk: 45
Registrován: úte 30. bře 2010 18:13:08

Re: Elektronické řízení brány v2.0

Příspěvekod mi.ku » pát 01. úno 2013 23:38:35

Dobré zdravie prajem,
Chodím na toto forum,ale len občas,no teraz ma tak napadlo,že síce mám bránu hotovú vyskúšanú,funkčnú,ja som sľúbil,že pošlem vídeo,zatial som to nestihol natočiť,ale sľúbim,že v krátkej dobe to natočím a pošlem ja sa ospravedlňujem,ale spravím všetko pre to aby ste to videl ako to fachčí.
No pri tejto príležitosti by som sa chcel popýtať či pracujete na tej verzii v2.0,veľmi ma to zaujíma,pretože by som chcel vyskúšať
ako to pracuje,a potom by sme mohi rozviazať ďalšie debaty okolo tohto fóra.
Uživatelský avatar
mi.ku
Chcíplotina
Chcíplotina
 
Příspěvky: 14
Registrován: stř 13. dub 2011 15:11:40

Re: Elektronické řízení brány v2.0

Příspěvekod Sakul » sob 02. úno 2013 0:32:42

Momentálně je tato verze tak trochu na mrtvém bodě. V současnosti mám rozjeto několik jiných projektů. Navíc jak se ukázalo, tak prototyp této druhé verze je špatně navržen a bude nutné ho celý přepracovat. Postupně se však ve volných chvilkách k těmto odloženým projektům vracím. Nyní jsem se začal zabývat zajímavým typem procesoru a ten by se do této konstrukce velice dobře hodil. Takže, když vidím, že by byl zájem o tuto konstrukci pokusím se na ní zase zapracovat.
INFO:
Sakul WORLD: www.sakul.cz/
Sakul YouTube: www.youtube.com/user/sakulraider

Možnost příspěvku (Donate):
Patreon: https://www.patreon.com/sakul
PayPal: SakulRaider@seznam.cz
BU: 670100-2208863541/6210
Uživatelský avatar
Sakul
Administrátor
Administrátor
 
Příspěvky: 1787
Věk: 45
Registrován: úte 30. bře 2010 18:13:08

Re: Elektronické řízení brány v2.0

Příspěvekod batafor » úte 16. črc 2013 14:10:14

Rád bych využil vaše zapojení, proto se také připojuji se žádostí o dopracování. Líbí se jednoduchost a univerzálnost této konstrukce. Nemohu zatím přispět postřehy, protože naše vrata jsou zatím na pouze na papíře.
Uživatelský avatar
batafor
Chcíplotina
Chcíplotina
 
Příspěvky: 1
Registrován: úte 09. črc 2013 13:51:48

Re: Elektronické řízení brány v2.0

Příspěvekod Sakul » úte 16. črc 2013 17:55:04

Přes léto bych se k této konstrukci mohl konečně zase vrátit, takže snad se to podaří dotáhnout do zdárného konce.
INFO:
Sakul WORLD: www.sakul.cz/
Sakul YouTube: www.youtube.com/user/sakulraider

Možnost příspěvku (Donate):
Patreon: https://www.patreon.com/sakul
PayPal: SakulRaider@seznam.cz
BU: 670100-2208863541/6210
Uživatelský avatar
Sakul
Administrátor
Administrátor
 
Příspěvky: 1787
Věk: 45
Registrován: úte 30. bře 2010 18:13:08

Re: Elektronické řízení brány v2.0

Příspěvekod jon29 » pát 30. srp 2013 1:44:58

Postavil jsem několik posuvných bran,ovládání jsem řešil relátky,je to spolehlivé,nepodléhá rušení a naprogramovat procesor je nad moje možnosti.Poslední bránu jsem dělal pro sebe,motor 3 fáze,napájený frekvenčním měničem 3x 230V Omron 500W,odpadají stykače a reverzovat lze okamžitě,motor je jištěn proudově.K mím požadavkům je releové ovládání složité,to Vaše je elegantní a přehledné na připojování prvků.Mě se osvědčilo ovládání,stisk tlačítka,brána se otevírá/závora vyřazena/po sepnutí koncáku otevřeno běží čas návratu,pokud je aktivována závora,čas se zastaví a běží znovu od začátku po opuštění závory,brána se zavře.Pokud závora sepne během zavírání,brána reverzuje až na koncák otevřeno.Brzda motoru není potřeba,převod je samosvorný,dovření vrat řeším jedním předsunutým koncákem,který sníží otáčky frekvenčního měniče,při otevírání je zpomalení zbytečné,není potřeba přesné zastavení.Protože frekvenční měnič chrání motor před přetížením,není nutné čidlo otáčení.Protože nechci aby bylo v klidu některé relé přitaženo,nedaří se mi ovládat jeden stisk otevírá,druhý stisk stop/tím jsou řešeny vrátka/třetí stisk závírá.Vrátka jsem čas řešil tím,že byla závora aktivní při otevírání,při průchodu osoby se zastavila a po uplynutí času se zavírají.Mělo to nevýhodu,kterou tady popisoval kolega,nedá se vjet dříve než se brána otevře.Proto se přikláním k Vašemu řešení procesorem a počkám jak dopadne Vaše verze.
Uživatelský avatar
jon29
Chcíplotina
Chcíplotina
 
Příspěvky: 1
Registrován: pát 30. srp 2013 0:07:20

Re: Elektronické řízení brány v2.0

Příspěvekod Harttman » ned 14. pro 2014 20:14:36

Zdravím Vás,
rád bych se zeptal v jakém stavu je elektronika brány v2.0 . Chci si postavit ovládáni podle Vašeho návrhu. V zipu který jsem si stáhnul máte v eaglu dvě verze. Jedna se jmenuje prostě "Brána" a druhá "Brana_v1.1rA". Jaký je mezi nima rozdíl ?
Diky za odpověď.
Uživatelský avatar
Harttman
Chcíplotina
Chcíplotina
 
Příspěvky: 2
Registrován: ned 14. pro 2014 20:02:24

Re: Elektronické řízení brány v2.0

Příspěvekod Sakul » pon 15. pro 2014 4:10:44

Zdravím,
mělo by to být stejné. Jedna deska je novější. Podívejte se na verzi co je napsaná přímo na desce. Jedna verze je s polygonem a jedna bez.
Co se týká této verze brány v2.x, tak prozatím se zdá, že je to na mrtvém bodě. Pokud dojde ke změně bude to oznámeno a změní se stav v prvním příspěvku.
INFO:
Sakul WORLD: www.sakul.cz/
Sakul YouTube: www.youtube.com/user/sakulraider

Možnost příspěvku (Donate):
Patreon: https://www.patreon.com/sakul
PayPal: SakulRaider@seznam.cz
BU: 670100-2208863541/6210
Uživatelský avatar
Sakul
Administrátor
Administrátor
 
Příspěvky: 1787
Věk: 45
Registrován: úte 30. bře 2010 18:13:08

Re: Elektronické řízení brány v2.0

Příspěvekod Harttman » úte 10. led 2017 13:56:07

Elektronika na bránu je perfektní. Používám více jak rok a žádný problém. Všem vřele doporučuji. Jen chci upozornit případné zájemce, aby vybírali ty koncáky a snímač otáček, které snesou věčí mraz. Letos mi zatuhnul snímač otáček i koncáky. Koncáky jsem rozhýbal, ale snímač jsem musel vyměnit za kvalitnější bez mazacího tuku.
Uživatelský avatar
Harttman
Chcíplotina
Chcíplotina
 
Příspěvky: 2
Registrován: ned 14. pro 2014 20:02:24

Re: Elektronické řízení brány v2.0

Příspěvekod Sakul » úte 10. led 2017 15:46:25

Harttman píše:Elektronika na bránu je perfektní. ...

Jsem rád, že funguje dle představ. Taktéž děkuji za info o snímačích a problémech které mohou v zimním období nastat.
Přemýšlím, že bych se k této konstrukci vrátil a zkusil ji trochu aktualizovat. Nejspíš bych ji kompletně předělal, vyšel z této verze 2, která byla sice navržena a dokonce sestavena již 2x, pokaždé s jiným procesorem, ale nikdy jsem se nedostal k tomu dopsat firmware. Tak třeba do třetice by se to povedlo.
Takže dnes večer na to kouknu a případně aktualizuji status této konstrukce.
INFO:
Sakul WORLD: www.sakul.cz/
Sakul YouTube: www.youtube.com/user/sakulraider

Možnost příspěvku (Donate):
Patreon: https://www.patreon.com/sakul
PayPal: SakulRaider@seznam.cz
BU: 670100-2208863541/6210
Uživatelský avatar
Sakul
Administrátor
Administrátor
 
Příspěvky: 1787
Věk: 45
Registrován: úte 30. bře 2010 18:13:08


Zpět na Elektronika


  • Advertisement

Kdo je online

Uživatelé procházející toto fórum: Žádní registrovaní uživatelé a 69 návštevníků