od Sakul » pát 20. kvě 2011 7:33:11
Tato verze brány není zatím hotová a nachází se ve stádiu vývoje.
Dokončeno = 30%
Tento týden jsem konečně začal pracovat na Elektronickém řízení brány v.2.0
Základ zůstává stejný s původním systémem, ale budou doplněny některé funkce a rozšíření. Hlavní rozdíl je v použití jiného procesoru a to PIC16F873, který disponuje dostatečný počtem portů. Díky tomu dojde k přidání funkce Vrátek, a to tím, že bude přidán další snímač, jež zastaví bránu v takové poloze, aby pěší pohodlně prošel, ale brána se zbytečně neotevírala celá. Když už jsme u těch snímačů, v nové verzi budou lépe vyřešeny vstupy. Vstupní signály budou i nadále odděleny optočleny + bude přidáno napájení těchto vstupů právě pro co nejpohodlnější zapojení optických a indukčních snímačů (průmyslové snímače například od výrobců Turck nebo Balluff), samozřejmě možnost použití mechanických koncových spínačů zůstane zachována. Také bude přepracováno celé napájení, jež už nebude obsahovat trafo, ale bude třeba externí napájení 24V (12V), to opět značně ulehčí montáž snímačů a stykačů pro pohon.
Dále budou obsažena dvě ovládací tlačítka. První bude mít naprosto stejnou funkci jako u stávající brány + druhé tlačítko bude ovládat režim Vrátek. Opět obě tlačítka budou moci být vyvedena kdekoli lokálně kabelem + dálkovým ovládáním. Dálkové ovládání zachovám od firmy Flajzar, neboť se osvědčilo a dokonce byly vyvinuty a zdokonaleny další modely i na 433MHz s kódováním KeeLoq.
Signalizace majáčkem bude také malinko přepracována, kde při pohybu brány bude majáček blikat a v případě poruchy zůstane po dobu trvání poruchy svítit.
Systém Automat/Ručně zůstane také zachován s tím, že bude možné změnit směr pohybu vrat i bez nutnosti čekat na koncovou polohu.
Přibude možnost volby různých provozních režimů a časů pomocí jumper spojek a tím co nejlépe nastavit provoz dle Vašich konkrétních požadavků.
Nyní mám několik dotazů ohledně funkcí, které integrovat či nikoli:
1. Přidání funkce brzdy motoru ? - Šlo by o další relé, které by sepnutím odbrzďovalo motor. Motor by samozřejmě musel být vybaven elektromagnetickou brzdou. Předpokládám, že by to značně zlepšilo přesnost dovírání a zároveň i bezpečnost takovýchto vrat a to ať už tím, že by se pohyb zastavoval téměř okamžitě nebo tím, že by se zamezilo možnosti bránu odtlačit ručně.
2. Vyřešení automatického zavření v automatu - Otázkou je zda například určit nejdelší čas, po který může být přerušena optická závora (viz níže) a poté vyhlásit chybu. Případně jak tuto chybu potvrzovat (automaticky nebo ručně obsluhou). Následně na to navazuje čas odblokování optické závory a zavření vrat (tento čas určuje jak dlouho má brána čekat od posledního přerušení a opětovného spojení optické závory na zavření viz níže).
3. Jednotlivé časy - Jde o to jaké nastavit časy a časové prodlevy pro různé akce:
A. Čas impulzu od motoru cca = 1vteřina (každou vteřinu musí přijít pulz od motoru), jde o kontrolu, že se motor nebo brána pohybuje. Tato funkce už byla u předchozí verze, ale zajímá mne zda je 1 vteřina optimální čas. Samozřejmě je ideální co nejdelší čas, pak je totiž hlídání univerzálnější, ale zároveň čím je tento čas delší hrozí větší riziko poškození motoru nebo jiné mechanické části vlivem jakékoli překážky nebo zaseknutí pohonu.
B. Čas blokování zavření brány optickou závorou = 1min (tento čas určuje jak dlouho může být optická závora přerušena) opět tato funkce s tímto časem byla i u předchozí verze. Opět je otázka zda je tento čas optimální případně je možno udělat dva tyto časy volitelné poté jumperem. Například 30vteřin / 1minuta.
C. Prodleva pro zavření po odblokování optické závory = 15vteřin (viz výše)
D. Prodleva pro reverzaci pohonu = zde byl původně použit čas 520ms, což se domnívám je hodně krátká doba, obzvláště pokud pokud není použit motor s brzdou. Bohužel tento čas opravdu dost dobře nedokážu vycucat z prstu a potřeboval bych nějakou praktickou zkušenost. Opět by asi byla možnost nastavit dva časy jumperem pro možnost použít motor s brzdou 1sec / 3sec pro motor bez brzdy.
E. Pokud Vám připadá, že by ještě někde měl být nastavený nějaký čas, prosím napište mi o tom.
V podstatě je pro mne v současnosti nejdůležitější vyřešení funkcí, které mají přímou souvislost s hardwarem. Časy jako takové jsou sice také důležité, ale jejich přesné odladění nemá vazbu na návrh hardware. Proto je například důležité vyřešení zda zařadit relé pro brzdu motoru, neboť toto relé již musí být řešeno integrací do hardware celého řízení. Stejně tak je důležité pokud mají být někde dva volitelné časy jumperem, zda je potřeba třeba jen volby dvou, tří nebo více různých času pro jednu funkci.
Samozřejmě pokud máte jakýkoli nápad co například stávající zařízení postrádá, napište mi o tom.
Jakmile bude dokončen návrh hardware, pokusím se vypracovat popis jednotlivých funkcí a k nim patřícím časům, abychom mohli co nejlépe odladit co a jak má brána v různých situacích dělat.
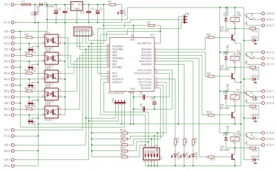
Takže hardware je orientačně hotov a tak zde přikládám schéma a osazovací plán:
- Přílohy
-

- Schéma zapojení
-

- Osazovací plán